È«²¿²úÆ··ÖÀà
¼¯³Éµç·IC
- ÓÅÊÆ²úÆ·
- Chipown/оÅó΢
- оÅóµç»úÇý¶¯Ð¾Æ¬
- SLAN/Ê¿À¼Î¢
- CR/Æô³¼Î¢
- FM/¸»ÂúϵÁÐ
- SF/ÈüÍþоƬ
- XL/оÁúϵÁÐ
- LW/æê΢
³¡Ð§Ó¦¹Ü/MOS/IGBT
¶þ¼«¹Ü
Èý¼«¹Ü
ÍÆ¼ö²úÆ·
ÁªÏµÎÒÃÇ
ÉîÛÚÊÐæê΢µç×ӿƼ¼ÓÐÏÞ¹«Ë¾
µç»°£º0755-23087599
ÊÖ»ú£º13808858392
ÓÊÏ䣺dunianhua@leweitech.com
µØÖ·£ºÉîÛÚÊб¦°²ÇøÎ÷Ïçº×ÖÞºã·á¹¤Òµ³ÇB11¶°5Â¥¶«
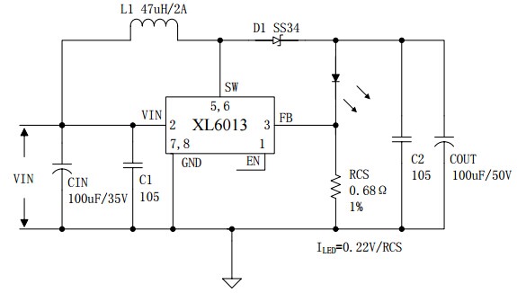
XL6013_ÉýѹLEDÇý¶¯IC XL6013
ËùÊô·ÖÀࣺXL/оÁúϵÁÐ
Æ·ÅÆ£ºXL/оÁú
ÐͺţºXL6013
·â×°£ºSOP8
¹¦ÂÊ£º
µçÁ÷£º2A
ÐͺţºXL6013
·â×°£ºSOP8
¹¦ÂÊ£º
µçÁ÷£º2A
¶©¹ºÈÈÏߣº0755-23087599
XL6013²úÆ·ÃèÊö£º
XL6013ÊÇÒ»¿îÉýѹºãÁ÷ÐÍLEDÇý¶¯Æ÷£¬¿É¹¤×÷ÔÚDC5Vµ½40VÊäÈëµçѹ·¶Î§£¬µÍÎÆ²¨£¬ÄÚÖù¦ÂÊMOS¡£XL6013ÄÚÖù̶¨ÆµÂÊÕñµ´Æ÷ÓëÆµÂʲ¹³¥µç·£¬¼ò»¯Á˵ç·Éè¼Æ¡£
XL6013ÊÇÒ»¿îÉýѹºãÁ÷ÐÍLEDÇý¶¯Æ÷£¬¿É¹¤×÷ÔÚDC5Vµ½40VÊäÈëµçѹ·¶Î§£¬µÍÎÆ²¨£¬ÄÚÖù¦ÂÊMOS¡£XL6013ÄÚÖù̶¨ÆµÂÊÕñµ´Æ÷ÓëÆµÂʲ¹³¥µç·£¬¼ò»¯Á˵ç·Éè¼Æ¡£
µ±ÊäÈëµçѹ´óÓÚ»òµÈÓÚ 12V ʱ £¬XL6013¿ÉÇý¶¯5ÖÁ10´®1W LED¡£PWM ¿ØÖÆ»·Â·¿ÉÒÔµ÷½ÚÕ¼¿Õ±È´Ó0~90%Ö®¼äÏßÐԱ仯¡£ÄÚÖùýµçÁ÷±£»¤¹¦ÄÜÓëEN½ÅÂß¼µçƽ¹Ø¶Ï¹¦ÄÜ¡£ÄÚ²¿²¹³¥Ä£¿é¿ÉÒÔ¼õÉÙÍâΧԪÆ÷¼þÊýÁ¿¡£
XL6013²úÆ·ÌØµã£º
5Vµ½40V¿íÊäÈëµçѹ·¶Î§
0.22VÊä³öµçÁ÷²ÉÑùµçѹ
Êä³ö¿ÉÇý¶¯2~10´®1W LED
¹Ì¶¨400KHz¿ª¹ØÆµÂÊ
×î´ó2A¿ª¹ØµçÁ÷
SWÄÚÖùýѹ±£»¤¹¦ÄÜ
93%ÒÔÉÏת»»Ð§ÂÊ
EN½ÅTTL¹Ø¶Ï¹¦ÄÜ
³öÉ«µÄÏßÐÔÓë¸ºÔØµ÷ÕûÂÊ
ÄÚÖù¦ÂÊMOS
ÄÚÖÃÆµÂʲ¹³¥¹¦ÄÜ
ÄÚÖÃÈíÆô¶¯¹¦ÄÜ
ÄÚÖÃÈȹضϹ¦ÄÜ
ÄÚÖõçÁ÷ÏÞÖÆ¹¦ÄÜ
SOP8L·â×°
µäÐÍÓ¦ÓÃͼ

µäÐÍÓ¦ÓÃͼ

°¢Àï°Í°ÍµêÆÌ
¹Ø×¢æê΢
ÊÕ²Øæê΢










