成都逍遥耍耍网论坛,天津-凤江湖论坛春风阁(全国信息) ,一品香论坛登录入口风楼阁交友平台 ,快活林信息发布论坛汇总

³äµçÆ÷оƬ°¢Àï°Í°ÍµêÆÌ ¿ª¹ØµçԴоƬ¹Ø×¢æê΢ µç»úÇý¶¯Ð¾Æ¬ÊÕ²Øæê΢ »¶Ó­½øÈëµçԴоƬ/Çý¶¯Ð¾Æ¬¡¢MOS¡¢IGBT¡¢¶þÈý¼«¹Ü¡¢ÇŶѵȵç×ÓÔªÆ÷¼þ´úÀíÉÌ--æê΢µç×Ó¹ÙÍø
¸ß¼¶ËÑË÷

ËÑË÷Ò»

ËÑË÷¶þ

³äµç¹ÜÀíIC·½°¸

ÍÆ¼ö²úÆ·

ÁªÏµÎÒÃÇ

¿ª¹ØµçԴоƬ
ÉîÛÚÊÐæê΢µç×ӿƼ¼ÓÐÏÞ¹«Ë¾

µç»°£º0755-23087599

ÊÖ»ú£º13808858392

ÓÊÏ䣺dunianhua@leweitech.com

µØÖ·£ºÉîÛÚÊб¦°²ÇøÎ÷Ïçº×ÖÞºã·á¹¤Òµ³ÇB11¶°5Â¥¶«

prevnext

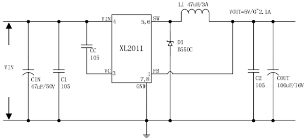
XL2011_dc-dc½µÑ¹Ð¾Æ¬ XL2011

ËùÊô·ÖÀࣺXL/оÁúϵÁÐ
Æ·ÅÆ£ºÉϺ£Ð¾Áú
ÐͺţºXL2011
·â×°£ºSOP8L
¹¦ÂÊ£º10.5W
µçÁ÷£º2.1A
¶©¹ºÈÈÏߣº0755-23087599
XL2011²úÆ·ÃèÊö:
XL2011ÊÇ150ǧºÕƵÂʹ̶¨PWM(½µÑ¹)Ö±Á÷/Ö±Á÷ת»»Æ÷Äܹ»³ÐÊÜ2.1AµÄ¸ºÔØÐ§ÂÊ¡¢µÍÎÆ²¨ºÍÓÅÐãµÄÏߺ͸ºÔص÷ÕûÂÊ¡£¹Ì¶¨ÆµÂÊÕñµ´Æ÷ÓëÆµÂʲ¹³¥µç·£¬¼ò»¯Á˵ç·Éè¼Æ¡£¡£
XL2011ÄÚÖÃÊä³ö¹ýµçÁ÷±£»¤¹¦ÄÜ¡£µ±¶ÌµÄ±£»¤¹¦ÄÜ·¢ÉúʱоƬ½«»á¹Ø±Õ¡£ÄÚ²¿²¹³¥Ä£¿é¿ÉÒÔ¼õÉÙÍâΧԪÆ÷¼þÊýÁ¿¡£

XL2011²úÆ·ÌØµã:
¿í8 v -45 vÊäÈëµçѹ·¶Î§¡£
¹Ì¶¨5 vÊä³öµçѹ¡£
×î´óÊä³öµçÁ÷2.1A¡£
¹Ì¶¨150 khzÇл»ÆµÂÊ¡£
ÄÚÖù¦ÂÊMOSFET¡£
ЧÂʸß92%¡£
Êä³ö¶Ì¡£
¸ºÔص÷½Ú¡£
ÏÞÁ÷¹¦ÄÜ¡£
SOP8L·â×°¡£

µäÐÍÓ¦ÓÃ
yle="width: 600px; height: 273px;" />




 
²úÆ·ÖÐÐÄ ¹ØÓÚæê΢ ÁªÏµÎÒÃÇ