成都逍遥耍耍网论坛,天津-凤江湖论坛春风阁(全国信息) ,一品香论坛登录入口风楼阁交友平台 ,快活林信息发布论坛汇总

³äµçÆ÷оƬ°¢Àï°Í°ÍµêÆÌ ¿ª¹ØµçԴоƬ¹Ø×¢æê΢ µç»úÇý¶¯Ð¾Æ¬ÊÕ²Øæê΢ »¶Ó­½øÈëµçԴоƬ/Çý¶¯Ð¾Æ¬¡¢MOS¡¢IGBT¡¢¶þÈý¼«¹Ü¡¢ÇŶѵȵç×ÓÔªÆ÷¼þ´úÀíÉÌ--æê΢µç×Ó¹ÙÍø
¸ß¼¶ËÑË÷

ËÑË÷Ò»

ËÑË÷¶þ

³äµç¹ÜÀíIC·½°¸

ÍÆ¼ö²úÆ·

ÁªÏµÎÒÃÇ

¿ª¹ØµçԴоƬ
ÉîÛÚÊÐæê΢µç×ӿƼ¼ÓÐÏÞ¹«Ë¾

µç»°£º0755-23087599

ÊÖ»ú£º13808858392

ÓÊÏ䣺dunianhua@leweitech.com

µØÖ·£ºÉîÛÚÊб¦°²ÇøÎ÷Ïçº×ÖÞºã·á¹¤Òµ³ÇB11¶°5Â¥¶«

prevnext

XL2012_40V½µÑ¹³µ³äIC SF2012

ËùÊô·ÖÀࣺXL/оÁúϵÁÐ
Æ·ÅÆ£ºÐ¾Áú
ÐͺţºXL2012
·â×°£ºSOP8
¹¦ÂÊ£º12W
µçÁ÷£º2.4A
¶©¹ºÈÈÏߣº0755-23087599
XL2012²úÆ·ÃèÊö£º
XL2012ÊÇÒ»¸ö150KHzµÄ¹Ì¶¨ÆµÂÊPWM½µÑ¹£¨²½½µ£©DC/DCת»»Æ÷£¬Äܹ»Çý¶¯Ò»¸ö2.4AµÄ¸ºÔØ£¬¸ßЧÂÊ£¬µÍÎÆ²¨ºÍ³öÉ«µÄÏß·ºÍ¸ºÔص÷½Ú¡£ÐèÒªµÄÍⲿԪ¼þÊýÁ¿×îÉÙ£¬ÎÈѹÆ÷¼òµ¥Ò×Ó㬰üÀ¨ÄÚ²¿ÆµÂʲ¹³¥ºÍ¹Ì¶¨ÆµÂÊÕñµ´Æ÷¡£
XL2012ÄÚÖÃÊä³ö¶Ì·±£»¤¹¦ÄÜ¡£µ±¶Ì·±£»¤¹¦ÄܵÄÇé¿ö£¬¸ÃоƬ½«±»¹Ø±Õ¡£ÄÚ²¿²¹³¥Ä£¿éÊǽ¨Á¢ÔÚÒÔ¾¡Á¿¼õÉÙÍⲿԪ¼þÊýÁ¿¡£
 
XL2012²úÆ·ÌØµã£º
8VÖÁ40VµÄÊäÈëµçѹ·¶Î§¡£
¹Ì¶¨µÄ5VÊä³öµçѹ¡£
×î´ó2.4AµÄÊä³öµçÁ÷¡£
150KHzµÄ¹Ì¶¨¿ª¹ØÆµÂÊ¡£
ÄÚ²¿ÓÅ»¯µÄ¹¦ÂÊMOSFET¡£
ЧÂʸߴï92£¥¡£
ÄÚÖÃÊä³ö¶Ì·¹Ø¶Ï¹¦ÄÜ¡£
³öÉ«µÄÏß·ºÍ¸ºÔص÷½Ú¡£
ÄÚÖÃÈȹضϹ¦ÄÜ¡£
ÄÚÖõçÁ÷ÏÞÖÆ¹¦ÄÜ¡£
SOP-8·â×°¡£

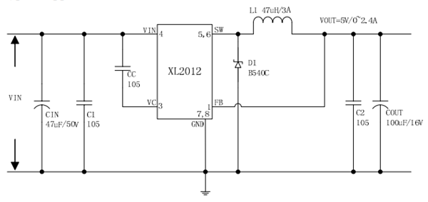
µäÐÍÓ¦ÓÃͼ




 
²úÆ·ÖÐÐÄ ¹ØÓÚæê΢ ÁªÏµÎÒÃÇ