成都逍遥耍耍网论坛,天津-凤江湖论坛春风阁(全国信息) ,一品香论坛登录入口风楼阁交友平台 ,快活林信息发布论坛汇总

³äµçÆ÷оƬ°¢Àï°Í°ÍµêÆÌ ¿ª¹ØµçԴоƬ¹Ø×¢æê΢ µç»úÇý¶¯Ð¾Æ¬ÊÕ²Øæê΢ »¶Ó­½øÈëµçԴоƬ/Çý¶¯Ð¾Æ¬¡¢MOS¡¢IGBT¡¢¶þÈý¼«¹Ü¡¢ÇŶѵȵç×ÓÔªÆ÷¼þ´úÀíÉÌ--æê΢µç×Ó¹ÙÍø
¸ß¼¶ËÑË÷

ËÑË÷Ò»

ËÑË÷¶þ

³äµç¹ÜÀíIC·½°¸

ÍÆ¼ö²úÆ·

ÁªÏµÎÒÃÇ

¿ª¹ØµçԴоƬ
ÉîÛÚÊÐæê΢µç×ӿƼ¼ÓÐÏÞ¹«Ë¾

µç»°£º0755-23087599

ÊÖ»ú£º13808858392

ÓÊÏ䣺dunianhua@leweitech.com

µØÖ·£ºÉîÛÚÊб¦°²ÇøÎ÷Ïçº×ÖÞºã·á¹¤Òµ³ÇB11¶°5Â¥¶«

prevnext

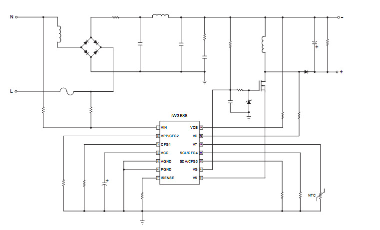
iW3688_LEDµ÷¹âÇý¶¯Ð¾Æ¬ iW3688

ËùÊô·ÖÀࣺÓÅÊÆ²úÆ·
Æ·ÅÆ£ºiWatt
ÐͺţºiW3688
·â×°£ºSOIC-14
¹¦ÂÊ£º20W
µçÁ÷£º
¶©¹ºÈÈÏߣº0755-23087599
    iW3688²úÆ·ÃèÊö£º

    iW3688Ïû³ýÁË20¸öÍⲿԪ¼þµÄ³É±¾£¬ÆäÖаüÀ¨Íⲿ·Åµçµç·ËùÐèµÄ10¸ö×é¼þ£¬Ê¹ÓÃDialogµÄ¼¯³ÉÊý×ÖËã·¨µ÷ÖÆÖ÷MOSFET¿ª¹Ø£¬ÔÚµ÷¹âÆÚ¼ä»ñµÃ¶îÍâµÄµçÁ÷¡£È·±£ÊäÈëµçÁ÷ÔÚÕýÏòµ¼Í¨ÆÚ¼ä×ÜÊÇ´óÓÚTRIACµÄά³Ö·§Öµ£¬´Ó¶øÏû³ýÍⲿ·Åµçµç·¡£iW3688»¹Í¨¹ý¼ò»¯EMIÂ˲¨µç·ÒÔ¼°ÄÚÖõçÁ÷Ô´¡¢¿ª¹ØºÍVCC³äµçµç·½øÒ»²½½µµÍÎïÁϳɱ¾¡£iW3688µÄÏȽøµçÔ´¹ÜÀíºÍµçѹ¼ì²â¹¦ÄÜÔÊÐíÖÆÔìÉÌʹÓõͳɱ¾µÄÏÖ»õµç¸ÐÆ÷£¬´Ó¶ø½øÒ»²½½ÚÊ¡Á˳ɱ¾¡£
 
    iW3688²ÉÓÃDialogµÄ¹ýα£»¤£¨OTP£©½µ¶î¼¼Êõ½â¾ö¹ýÈȵ¼ÖµÄLEDµÆÅݵÄʹÓÃÊÙÃüÎÊÌâ¡£ OTP¼à²âÃÜ·âSSLµÆÅÝÖеÄζÈ£¬µ±Î¶ȸßÓÚ°²È«µÄ¹¤×÷·§ÖµÊ±£¬ÎÞ·ìµØ½µµÍ¹âÁÁ¶È£»µ±Î¶ȽµÏÂʱ£¬Ôò»Ö¸´ÁÁ¶È¡£Õâ¿ÉÒÔ½µµÍ¹¤×÷ζÈ£¬±ÜÃⳬ¹ýµç½âÖʵçÈÝÆ÷µÄ¶î¶¨Î¶È£¬²¢È·±£ÊµÏÖ¿ÉÔ¤²âºÍ¸ü¼Ó°²È«µÄµÆÅÝʹÓÃÊÙÃü¡£
 
    IW3688Ö§³ÖBuck-Boost£¨·Ç¸ôÀë·½°¸£©»òflybackÍØÆË½á¹¹£¨¸ôÀë·½°¸£©£¬Ö§³ÖÎÞµ÷¹âÆ÷£¬Ç°ÇУ¬ºóÇе÷¹âÆ÷£¬ÎÞµ÷¹âÆ÷ʱ¸ß¹¦ÂÊÒòÊý£¨PF>0.9£©ÒÔ¼°µÍTHD<20%£¬´ó¶àÊýµ÷¹âÆ÷¿ÉÖ§³Ö1%µ½100%µÄ¿íµ÷¹â·¶Î§¡£ÎÞÐèרÃŵÄbleeder»òÆô¶¯µç·£¬Ò²ÎÞÐ踨ÖúÈÆ×飬ºÜ¼ò»¯µÄÍâΧµç·£¬Ö»ÐèÒªÒ»¸ö¸ßѹ¹¦ÂÊMOSFET£¬¿ÉʹÓ÷dz£Á®¼ÛµÄµ¥ÈÆ×éµç¸Ð¡£
 
    iW3688µ¥¼¶LEDÇý¶¯Æ÷רΪ20WÄÚµÄÓ¦ÓöøÉè¼Æ£¬ÆäÖаüÀ¨AµÆ¡¢BR¡¢À¯ÖòµÆ¡¢GU10ºÍPARµÆ¡¢T8 LEDµÆ¹ÜÒÔ¼°ÍâÖÃÕÕÃ÷Çý¶¯Æ÷¡£Ëü²ÉÓÃDialogµÄÖÇÄÜÊý×Öµ÷¹â¿ØÖÆ×¨Àû¼¼Êõ£¬Ìṩ׿ԽµÄÐÔÄÜ£¬²¢¼æÈÝ×î¾ßÌôÕ½ÐÔµÄTRIACºÍÊý×Öµ÷¹âÆ÷¡£²»½öÈç´Ë£¬DialogÁìÏȵÄרÀûÊý×ÖË㷨ʵÏÖÁ˼¯³ÉµÄÓÐÔ´Æ«Öù¦ÄÜ£¬Ó봫ͳµÄÍⲿй·Åµç·Ïà±È£¬Ìá¸ßÁ˵÷¹âÐÔÄÜ£¬²¢½µµÍÁ˳ɱ¾¡£SOIC-14·â×°¡£

   iW3688²úÆ·ÌØµã£º
  µ¥¼¶£¬Ö§³Ö×î´ó20WµÄÊä³ö¹¦ÂÊ
   Êý×ÖËã·¨Ìṩ׿ԽµÄµ÷¹âÆ÷¼æÈÝÐÔ– ¼æÈÝTRIACºÍÊý×Öµ÷¹âÆ÷
   ×î¸ßµÄÇÐÏàµ÷¹âÐÔÄÜ
   ¿ÉµÖÓùÔëÉùºÍ²»Îȶ¨ – ÎÞÉÁ˸
   ×Ô¶¯¼ì²âµ÷¹âÆ÷ÀàÐÍ
   ¿í¹ãµÄµ÷¹â·¶Î§£º1% £­ 100%
   ¿ÉÅäÖõĵ÷¹â²ÎÊý
   ×îСµÄ³ß´ç/×îµÍµÄÎïÁϳɱ¾
   ÄÚÖõçÁ÷Ô´¡¢¿ª¹ØºÍVCC³äµçµç·
   ÔÊÐíʹÓõͳɱ¾µÄÏÖ»õµç¸ÐÆ÷
   Ã»ÓжîÍâµÄ¹à½º³É±¾
   ½ÏµÍµÄ×Üг²¨Ê§Õæ< 20%£¬¸ßPF > 0.95
   ÄÚÖÃLED¹ýα£»¤½µ¶î¼¼Êõ

    µäÐÍÓ¦ÓÃ



 

²úÆ·ÖÐÐÄ ¹ØÓÚæê΢ ÁªÏµÎÒÃÇ