È«²¿²úÆ··ÖÀà
¼¯³Éµç·IC
- ÓÅÊÆ²úÆ·
- Chipown/оÅó΢
- оÅóµç»úÇý¶¯Ð¾Æ¬
- SLAN/Ê¿À¼Î¢
- CR/Æô³¼Î¢
- FM/¸»ÂúϵÁÐ
- SF/ÈüÍþоƬ
- XL/оÁúϵÁÐ
- LW/æê΢
³¡Ð§Ó¦¹Ü/MOS/IGBT
¶þ¼«¹Ü
Èý¼«¹Ü
ÍÆ¼ö²úÆ·
ÁªÏµÎÒÃÇ
ÉîÛÚÊÐæê΢µç×ӿƼ¼ÓÐÏÞ¹«Ë¾
µç»°£º0755-23087599
ÊÖ»ú£º13808858392
ÓÊÏ䣺dunianhua@leweitech.com
µØÖ·£ºÉîÛÚÊб¦°²ÇøÎ÷Ïçº×ÖÞºã·á¹¤Òµ³ÇB11¶°5Â¥¶«
XL4201_½µÑ¹µ¥Æ¬³µ³äоƬ XL4201
ËùÊô·ÖÀࣺXL/оÁúϵÁÐ
Æ·ÅÆ£ºÐ¾Áú
ÐͺţºXL4201
·â×°£ºSOP-8
¹¦ÂÊ£º13W
µçÁ÷£º3A
ÐͺţºXL4201
·â×°£ºSOP-8
¹¦ÂÊ£º13W
µçÁ÷£º3A
¶©¹ºÈÈÏߣº0755-23087599
XL4201²úÆ·ÃèÊö£º
XL4201ÊÇÒ»¿î¸ßЧ½µÑ¹ÐÍDC-DCת»»Æ÷£¬¿É¹¤×÷ÔÚDC8Vµ½40VÊäÈëµçѹ·¶Î§£¬µÍÎÆ²¨£¬ÄÚÖù¦ÂÊMOS¡£XL4201ÄÚÖù̶¨ÆµÂÊÕñµ´Æ÷ÓëÆµÂʲ¹³¥µç·£¬¼ò»¯Á˵ç·Éè¼Æ¡£
XL4201ÊÇÒ»¿î¸ßЧ½µÑ¹ÐÍDC-DCת»»Æ÷£¬¿É¹¤×÷ÔÚDC8Vµ½40VÊäÈëµçѹ·¶Î§£¬µÍÎÆ²¨£¬ÄÚÖù¦ÂÊMOS¡£XL4201ÄÚÖù̶¨ÆµÂÊÕñµ´Æ÷ÓëÆµÂʲ¹³¥µç·£¬¼ò»¯Á˵ç·Éè¼Æ¡£
PWM¿ØÖÆ»·Â·¿ÉÒÔµ÷½ÚÕ¼¿Õ±È´Ó0~100%Ö®¼äÏßÐԱ仯¡£ÄÚÖÃÊä³ö¹ýµçÁ÷±£»¤¹¦ÄÜ¡£ÄÚ²¿²¹³¥Ä£¿é¿ÉÒÔ¼õÉÙÍâΧԪÆ÷¼þÊýÁ¿¡£
XL4201²úÆ·ÌØµã£º
8Vµ½40V¿íÊäÈëµçѹ·¶Î§
Êä³öµçѹ´Ó1.25Vµ½37V¿Éµ÷
×îСѹ²î0.3V
¹Ì¶¨150KHz¿ª¹ØÆµÂÊ
×î´ó3A¿ª¹ØµçÁ÷
ÄÚÖù¦ÂÊMOS
³öÉ«µÄÏßÐÔÓë¸ºÔØµ÷ÕûÂÊ
ÄÚÖúãÁ÷»·Â·
ÄÚÖÃÆµÂʲ¹³¥¹¦ÄÜ
ÄÚÖÃÊä³ö¶Ì·±£»¤¹¦ÄÜ
ÄÚÖÃÊäÈë¹ýѹ±£»¤¹¦ÄÜ
ÄÚÖÃÈȹضϹ¦ÄÜ
ÍÆ¼öÊä³ö¹¦ÂÊСÓÚ13W
SOP8-EP·â×°
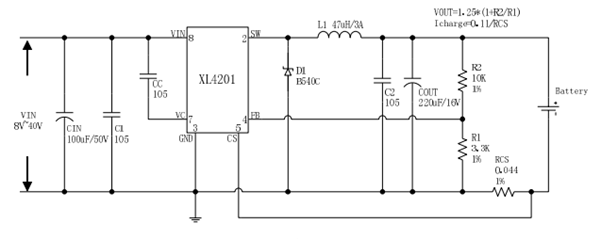
µäÐÍÓ¦ÓÃͼ

µäÐÍÓ¦ÓÃͼ

°¢Àï°Í°ÍµêÆÌ
¹Ø×¢æê΢
ÊÕ²Øæê΢










