È«²¿²úÆ··ÖÀà
¼¯³Éµç·IC
- ÓÅÊÆ²úÆ·
- Chipown/оÅó΢
- оÅóµç»úÇý¶¯Ð¾Æ¬
- SLAN/Ê¿À¼Î¢
- CR/Æô³¼Î¢
- FM/¸»ÂúϵÁÐ
- SF/ÈüÍþоƬ
- XL/оÁúϵÁÐ
- LW/æê΢
³¡Ð§Ó¦¹Ü/MOS/IGBT
¶þ¼«¹Ü
Èý¼«¹Ü
ÍÆ¼ö²úÆ·
ÁªÏµÎÒÃÇ
ÉîÛÚÊÐæê΢µç×ӿƼ¼ÓÐÏÞ¹«Ë¾
µç»°£º0755-23087599
ÊÖ»ú£º13808858392
ÓÊÏ䣺dunianhua@leweitech.com
µØÖ·£ºÉîÛÚÊб¦°²ÇøÎ÷Ïçº×ÖÞºã·á¹¤Òµ³ÇB11¶°5Â¥¶«
PN6775 6W³¬µÍ¹¦ºÄоƬ
ËùÊô·ÖÀࣺChipown/оÅó΢
Æ·ÅÆ£ºÐ¾Åó΢
ÐͺţºPN6775SEC-R1
·â×°£ºSOP8
¹¦ÂÊ£º6W
µçÁ÷£º
ÐͺţºPN6775SEC-R1
·â×°£ºSOP8
¹¦ÂÊ£º6W
µçÁ÷£º
¶©¹ºÈÈÏߣº0755-23087599
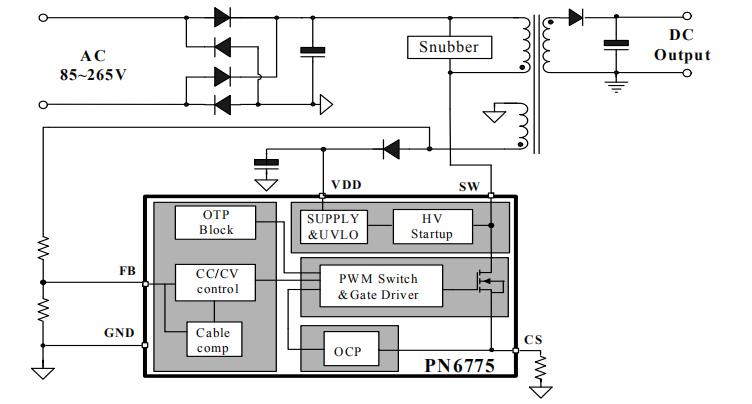
¡¡¡¡PN6775¼¯³É³¬µÍ´ý»ú¹¦ºÄԱ߿ØÖÆÆ÷¼°¸ßÑ©±ÀÄÜÁ¦ÖÇÄܹ¦ÂÊMOSFET£¬ÄÚÖøßѹÆô¶¯µç·£¬¿ÉʵÏÖоƬ¿ÕÔØËðºÄ£¨230VAC£©Ð¡ÓÚ50mW£¬PN6775³¬µÍ¹¦ºÄоƬΪԱ߷´À¡¹¤×÷ģʽ£¬¿ÉÊ¡ÂÔ¹âñîºÍTL431¡£¸ÃоƬÌṩÁ˼«ÎªÈ«ÃæµÄÖÇÄܱ£»¤¹¦ÄÜ£¬°üº¬ÖðÖÜÆÚ¹ýÁ÷±£»¤¡¢¹ýѹ±£»¤¡¢¿ª»·±£»¤¡¢¹ýα£»¤¡¢Êä³ö¶Ì·±£»¤ºÍCS¿ª/¶Ì·±£»¤µÈ£¬ÓÃÓÚ¸ßÐÔÄÜ¡¢ÍâΧԪÆ÷¼þ¾«¼òµÄ³äµçÆ÷¡¢ÊÊÅäÆ÷ºÍÄÚÖõçÔ´¡£¡¡¡¡
¡¡¡¡PN6775ÔÚºãѹģʽ£¬²ÉÓöàģʽ¼¼ÊõÌá¸ßЧÂʲ¢Ïû³ýÒôƵÔëÉù£¬Ê¹µÃϵͳÂú×ã6¼¶ÄÜЧ±ê×¼£¬¿Éµ÷Êä³öÏß²¹³¥¹¦ÄÜ£¬ÄÜʹϵͳ»ñµÃ½ÏºÃµÄ¸ºÔص÷ÕûÂÊ£»ÔÚºãÁ÷ģʽ£¬Êä³öµçÁ÷ºÍ¹¦ÂÊ¿Éͨ¹ýCS½ÅµÄµç×è½øÐе÷½Ú¡£
¡¡¡¡
¡¡¡¡PN6775Ð¾Æ¬ÌØÕ÷¡¡¡¡
¡¡¡¡¡ö ÄÚÖÃ650V¸ßÑ©±ÀÄÜÁ¦ÖÇÄܹ¦ÂÊMOSFET¡¡¡¡
¡¡¡¡¡ö ÄÚÖøßѹÆô¶¯µç·£¬Ð¡ÓÚ50mW¿ÕÔØËðºÄ£¨230VAC£©¡¡¡¡
¡¡¡¡¡ö ²ÉÓöàģʽ¼¼ÊõÌá¸ßЧÂÊ£¬Âú×ã6¼¶ÄÜЧ±ê×¼¡¡¡¡
¡¡¡¡¡ö È«µçѹÊäÈ뷶Χ±5%µÄCC/CV¾«¶È¡¡¡¡
¡¡¡¡¡ö Ա߷´À¡¿ÉÊ¡¹âñîºÍTL431¡¡¡¡
¡¡¡¡¡ö ºãѹ¡¢ºãÁ÷¡¢Êä³öÏß²¹³¥Íⲿ¿Éµ÷¡¡¡¡
¡¡¡¡¡ö ÎÞÐè¶îÍâ²¹³¥µçÈÝ¡¡¡¡
¡¡¡¡¡ö ÎÞÒôƵÔëÉù¡¡¡¡
¡¡¡¡¡ö ÖÇÄܱ£»¤¹¦ÄÜ£º¹ýα£»¤ (OTP)¡¢VDDǷѹ&¹ýѹ±£»¤ (UVLO&OVP) ¡¢ÖðÖÜÆÚ¹ýÁ÷±£»¤ (OCP)¡¢CS¿ª/¶Ì·±£»¤ (CS O/SP£©¡¢¿ª»·±£»¤ (OLP)¡£
¡¡¡¡
¡¡¡¡·â×°/¶©¹ºÐÅÏ¢

¡¡¡¡
¡¡¡¡Êä³öÌØÐÔ

¡¡¡¡
¡¡¡¡µäÐÍÓ¦Óõç·ͼ

¡¡¡¡
¡¡¡¡Ó¦ÓÃÁìÓò¡¡¡¡
¡¡¡¡¡ö ¿ª¹ØµçÔ´ÊÊÅäÆ÷¡¡¡¡
¡¡¡¡¡ö µç³Ø³äµçÆ÷¡¡¡¡
¡¡¡¡¡ö »ú¶¥ºÐµçÔ´
¡¡¡¡
¡¡¡¡PN6775³¬µÍ¹¦ºÄоƬ²ÉÓÃSOP8·â×°£¬Êdz¬µÍ´ý»ú¹¦ºÄԱ߷´À¡½»Ö±Á÷ת»»Æ÷£¬È«µçѹϵäÐÍÓ¦Óù¦ÂÊ6W£¬ÏµÍ³¿ÉÊ¡ÂԵĹâñîºÍTL431£¬¿ÉÒÔʵÏָ߾«¶ÈµÄºãѹ¡¢ºãÁ÷Êä³ö£¬ÒÔÂú×ã´ó²¿·Ö³äµçÆ÷ºÍÊÊÅäÆ÷ÐèÇ󣬸ü¶àPN6775³¬µÍ¹¦ºÄоƬ²úÆ·ÊֲἰӦÓÃ×ÊÁÏÇëÏòоÅó΢һ¼¶´úÀíæê΢µç×ÓÉêÇë¡£>>
°¢Àï°Í°ÍµêÆÌ
¹Ø×¢æê΢
ÊÕ²Øæê΢










