¼¸ÖÖ³£¼ûµÄledÇý¶¯Ð¾Æ¬µçÔ´·½°¸ÒÔ¼°×¢ÒâÊÂÏî!
×ֺţºT|T
¡¡¡¡½Ó´¥¹ýLEDµÄÈ˶¼ÖªµÀÓÉÓÚLEDÕýÏò·ü°²ÌØÐԷdz£¶¸£¬Òª¸øLEDÕý³£¹©µç¾Í±È½ÏÀ§ÄÑ¡£²»ÄÜÏñÆÕͨ°×³ãµÆÒ»Ñù£¬Ö±½ÓÓõçѹԴ¹©µç£¬·ñÔòµçѹ²¨¶¯ÉÔÔö£¬µçÁ÷¾Í»áÔö´óµ½½«LEDÉջٵij̶ȡ£ÎªÁËÎȶ¨LEDµÄ¹¤×÷µçÁ÷£¬±£Ö¤LEDÄÜÕý³£¿É¿¿µØ¹¤×÷£¬¾ßÓДÕòÁ÷¹¦ÄÜ”µÄ¸÷ÖÖ¸÷ÑùµÄLEDÇý¶¯µç·¾ÍÓ¦Ô˶øÉú£¬×î¼òµ¥µÄÊÇ´®ÁªÒ»Ö»ÕòÁ÷µç×裬¶ø±È½Ï¸´ÔÓµÄÊÇÓÃÐí¶àµç×ÓÔª¼þ¹¹³ÉµÄ“ºãÁ÷Çý¶¯Æ÷”¡£
¡¡¡¡ÏÂÃæÎÒÃÇÀ´¿´ÏÂÉú»îÖм¸ÖÖ³£¼ûµÄledÇý¶¯Ð¾Æ¬µçÔ´·½°¸£º
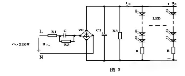
¡¡¡¡£¨Ò» £© ÕòÁ÷µç×è·½°¸
¡¡¡¡ÕâÊÇÒ»ÖÖ¼«Æä¼òµ¥£¬×ÔLEDÃæÊÀÒÔÀ´ÖÁ½ñ»¹Ò»Ö±ÔÚÓõľµäµç·¡£
¡¡¡¡LED¹¤×÷µçÁ÷I°´ÏÂʽ¼ÆË㣺


¡¡¡¡IÓëÕòÁ÷µç×èR³É·´±È£»µ±µçÔ´µçѹUÉÏÉýʱ£¬RÄÜÏÞÖÆIµÄ¹ýÁ¿Ôö³¤£¬Ê¹I²»³¬³öLEDµÄÔÊÐí·¶Î§¡£
¡¡¡¡´Ëµç·µÄÓŵãÊǼòµ¥£¬³É±¾µÍ£»È±µãÊǵçÁ÷Îȶ¨¶È²»¸ß£»µç×è·¢ÈÈÏûºÄ¹¦ÂÊ£¬µ¼ÖÂÓõçЧÂʵͣ¬½öÊÊÓÃÓÚС¹¦ÂÊLED·¶Î§¡£
¡¡¡¡Ò»°ã×ÊÁÏÌṩµÄÕòÁ÷µç×èRµÄ¼ÆË㹫ʽÊÇ£º


¡¡¡¡°´´Ë¹«Ê½¼ÆËã³öµÄRÖµ½öÂú×ãÁËÒ»¸öÌõ¼þ£º¹¤×÷µçÁ÷I ¡£¶ø¶ÔÇý¶¯µç·ÁíÁ½¸öÖØÒªµÄÐÔÄÜÖ¸±ê£ºµçÁ÷Îȶ¨¶ÈºÍÓõçЧÂÊ£¬ÔòȫȻûÓй˼°¡£Òò´ËÓÃËüÉè¼Æ³öµÄµç·£¬ÐÔÄÜûÓб£Ö¤¡£
¡¡¡¡£¨¶þ£©ÕòÁ÷µçÈÝ·½°¸
¡¡¡¡µç·µÄ¹¤×÷ÊÇ»ùÓÚÔÚ½»Á÷µç·ÖУ¬µçÈÝ´æÔÚÈÝ¿¹XCÒ²ÓДÕòÁ÷×÷ÓÔµÄÔÀí¡£ÁíÍâµçÈÝÏûºÄÎÞ¹¦¹¦ÂÊ£¬²»·¢ÈÈ£»¶øµç×èÔòÏûºÄÓй¦¹¦ÂÊ£¬»áת»¯ÎªÈÈÄܺÄÉ¢µô£¬ËùÒÔÕòÁ÷µçÈݱÈÕòÁ÷µç×裬ÄܽÚʡһ²¿·ÖµçÄÜ£¬²¢ÄÜÉè¼Æ³É½«LEDµÆÖ±½Ó½Óµ½Êе硫220VÉÏ£¬Ê¹ÓøüΪ·½±ã¡£
¡¡¡¡´Ë·½°¸µÄÓŵãÊǼòµ¥£¬³É±¾µÍ£¬¹©µç·½±ã£»È±µãÊǵçÁ÷Îȶ¨¶È²»¸ß£¬Ð§ÂÊÒ²²»¸ß¡£½öÊÊÓÃÓÚС¹¦ÂÊLED·¶Î§¡£µ±LEDµÄÊýÁ¿½Ï¶à£¬´®ÁªºóLED֧·µçѹ½Ï¸ßµÄ³¡ºÏ¸üΪÊÊÓá£


¡¡¡¡£¨Èý£©ÏßÐÔºãÁ÷Çý¶¯µç·
¡¡¡¡ÉÏÃæÒѾÌáµ½µç×è¡¢µçÈÝÕòÁ÷µç·µÄȱµãÊǵçÁ÷Îȶ¨¶ÈµÍ£¨¡÷I/I´ï±20¡«50£¥£©£¬ÓõçЧÂÊÒ²µÍ£¨Ô¼50¡«70£¥£©£¬½öÊÊÓÃÓÚС¹¦ÂÊLEDµÆ¡£
¡¡¡¡ÎªÂú×ãÖС¢´ó¹¦ÂÊLEDµÆµÄ¹©µçÐèÒª£¬ÀûÓõç×Ó¼¼Êõ³£¼ûµÄµçÁ÷¸º·´À¡ÔÀí£¬Éè¼Æ³öºãÁ÷Çý¶¯µç·¡£ºÍÖ±Á÷ºãѹµçÔ´Ò»Ñù£¬°´Æäµ÷Õû¹ÜÊǹ¤×÷ÔÚÏßÐÔ£¬»¹ÊÇ¿ª¹Ø×´Ì¬£¬ºãÁ÷Çý¶¯µç·Ҳ·Ö³ÉÁ½ÀࣺÏßÐÔºãÁ÷Çý¶¯µç·ºÍ¿ª¹ØºãÁ÷Çý¶¯µç·¡£
¡¡¡¡£¨ËÄ£©¿ª¹ØµçÔ´Çý¶¯µç·
¡¡¡¡ÉÏÊöÏßÐÔºãÁ÷Çý¶¯µç·Ëä¾ßÓеç·¼òµ¥¡¢Ôª¼þÉÙ¡¢³É±¾µÍ¡¢ºãÁ÷¾«¶È¸ß¡¢¹¤×÷¿É¿¿µÈÓŵ㣬µ«Ê¹ÓÃÖÐÒ²·¢ÏÖ¼¸µã²»×㣺
¡¡¡¡a¡¢µ÷Õû¹Ü¹¤×÷ÔÚÏßÐÔ״̬£¬¹¤×÷ʱ¹¦ºÄ¸ß·¢ÈÈ´ó£¨ÌرðÊǹ¤×÷ѹ²î¹ý´óʱ£©£¬²»½öÒªÇó½Ï´ó³ß´çµÄÉ¢ÈÈÆ÷£¬¶øÇÒ½µµÍÁËÓõçЧÂÊ¡£
¡¡¡¡b¡¢µçÔ´µçѹҪÇó°´¹«Ê½£¨13£©ÓëLED¹¤×÷µçѹÑϸñÆ¥Å䣬²»ÔÊÐí´ó·¶Î§¸Ä±ä¡£Ò²¾ÍÊÇ˵Ëü¶ÔµçÔ´µçѹ¼°LED¸ºÔر仯µÄÊÊÓ¦ÐԲ
¡¡¡¡c¡¢Ëü½öÄܹ¤×÷ÔÚ½µÑ¹×´Ì¬£¬²»Äܹ¤×÷ÔÚÉýѹ״̬¡£¼´µçÔ´µçѹ±ØÐë¸ßÓÚLED¹¤×÷µçѹ¡£
¡¡¡¡d¡¢¹©µç²»Ì«·½±ã£¬Ò»°ãÒªÅ俪¹ØÎÈѹµçÔ´£¬²»ÄÜÖ±½ÓÓá«220V¹©µç¡£
¡¡¡¡ÊäÈëÕûÁ÷£º½«Õý¸º±ä»¯µÄ½»Á÷µç±ä³Éµ¥Ïò±ä»¯µÄÖ±Á÷µç
¡¡¡¡Â˲¨£º½«±ä»¯µÄµçѹ²¨ÐÎÆ½»¬³É²¨¶¯½ÏСµÄÖ±Á÷µçѹ²¨ÐÎ
¡¡¡¡±äѹÆ÷£º´¢´æÄÜÁ¿£¬²úÉúÐèÒªµÄÊä³öµçѹ.Ô¡¢¸±±ß¸ôÀë¡£
¡¡¡¡Êä³öÎÈѹ£ºÎȶ¨Êä³öµçѹ
¡¡¡¡È¡Ñù·´À¡£º½«Êä³öµçѹµÄ±ä»¯·´Ó³µ½¿ØÖƵç·£¬ÒÔ±ã²ÉÈ¡ÏàÓ¦µÄ´ëÊ©±£Ö¤Êä³öµçѹÔڹ涨µÄ·¶Î§ÄÚ
¡¡¡¡PWM+¿ª¹Ø£º¿ØÖƵç·£¬¸ù¾Ý·´À¡»ØÀ´µÄÐźſØÖƱäѹÆ÷´¢´æÄÜÁ¿µÄ¶àÉÙ£¬´Ó¶ø±£Ö¤Êä³öµÄÎȶ¨
¡¡¡¡²ÉÓÿª¹ØµçÔ´Çý¶¯µÄÓŵ㣺ЧÂʸߣ¬Ò»°ã¿ÉÒÔ×öµ½80%¡«90%£¬Êä³öµçѹ¡¢µçÁ÷Îȶ¨¡£Êä³öÎÆ²¨Ð¡¡£ÇÒÕâÖֵ緶¼ÓÐÍêÉÆµÄ±£»¤´ëÊ©£¬Êô¸ß¿É¿¿ÐÔµçÔ´¡£
¡¡¡¡LEDÇý¶¯µçԴʹÓÃÖÐӦעÒâµÄÎÊÌ⣺
¡¡¡¡A. LED½µ¶îʹÓá£
¡¡¡¡B. ʹÓÃÏßÐÔºãÁ÷Çý¶¯Æ÷£¬Ìرð×¢ÒâÆä¹¤×÷ѹ²î¡£
¡¡¡¡C. ¸ôÀëʽ¿ª¹ØºãÁ÷Çý¶¯Æ÷´Î¼¶Êä³öµçÔ´²»ÒËÐü¿Õ£¬¸º¼«Ó¦½ÓµØ¡£
¡¡¡¡D.¶Ô¿ª¹ØºãÁ÷Çý¶¯Æ÷£¬ÒªÑϸñ×ñÊØ£ºÏȽӺÃLEDµÆ£¬ÔÙ½ÓͨÇý¶¯Æ÷µçÔ´µÄ²Ù×÷˳Ðò¡£
¡¡¡¡Ò»°ãÀ´ËµLED¾ù²ÉÓÃÖ±Á÷Çý¶¯£¬Òò´ËÔÚÊеçÓëLEDÖ®¼äÐèÒª¼ÓÒ»¸öµçÔ´ÊÊÅäÆ÷¼´LEDÇý¶¯µçÔ´£¬ËüµÄ¹¦ÄÜÊǰѽ»Á÷Êеçת»»³ÉÊʺÏLEDµÄÖ±Á÷µç£¬Í¨³£Çý¶¯LED²ÉÓÃרÓúãÁ÷Ô´»òÕßÇý¶¯Ð¾Æ¬£¬ÈÝÒ×ÊÜÌå»ýºÍ³É±¾µÈÒòËØµÄÏÞÖÆ£¬×î¾¼ÃʵÓõķ½·¨¾ÍÊDzÉÓõçÈݽµÑ¹Ê½µçÔ´¡£
¡¡¡¡ÓÃËüÇý¶¯Ð¡¹¦ÂÊLED£¬¾ßÓв»Å¸ºÔضÌ·¡¢µç·¼òµ¥µÈÓŵ㣬¶øÇÒÒ»¸öµç·ÄÜÇý¶¯1¡«70¸öС¹¦ÂÊLED£¬µ«ÊÇ£¬ÕâÖÖµçÔ´µç·Æô¶¯Ê±µÄµçÁ÷³å»÷£¬ÓÈÆäÊÇÆµ·±Æô¶¯£¬»á¸øLEDÔì³ÉÆÆ»µ,µ±È»²ÉÈ¡Êʵ±µÄ±£»¤±ã¿É±ÜÃâÕâÖÖ³å»÷¡£
¡¡¡¡
Ïà¹Ø×ÊѶ
- viper12aÌæ´úоƬAP8012H pin to pin¼æÈݲ»
- ¿ª¹ØµçԴоƬµÄ×÷Óü°»ù±¾ÔÀí·ÖÎö
- ³äµçicоƬÐÔÄÜÒªÇó·ÖÎö!
- 10WÎÞÏß³äSoC·½°¸£º¸ßÐÔÄÜ+µÍBOM³É±¾
- ¹ú²úµçÔ´¹ÜÀíоƬ´òÆÆ½ø¿Ú¢¶Ï£¬Öý¾Í¹úÄÚÉý
- ³äµç±£»¤icоƬ×÷ÓÃÓÐÄÄЩ£¿
- SVF4N65/SVF7N65/SVF10N65/SVF12N65³£Óøß
- ³äµçÆ÷ic³£ÓÃÐͺţ¡
- ¿ÆÆÕÔªÆ÷¼þ»ù´¡ÖªÊ¶£¬±æ±ðÔ×°ÓëÉ¢ÐÂIC£¡
- Ö÷Á÷³§É̵çÔ´ic LEDÇý¶¯Ð¾Æ¬µÄÓÅÁÓÊÆ·ÖÎö
ͬÀàÎÄÕÂÅÅÐÐ
- ap8022´ú»»viper22a¿É¼æÈÝ£¬²»¸ÄPCB¼°ÍâΧ
- µçԴоƬsdh8302s¿ÉPIN½Å´ú»»VIPER12A/AP80
- ʲôÊÇMOS¹ÜµÄÑ©±À¼°mos¹ÜÑ©±À»÷´©ÔÀí£¡
- ³£ÓÃdc-dc½µÑ¹Ð¾Æ¬ÍƼö
- PN555LÄÚÖÃ690VС¹¦ÂʷǸôÀëоƬ¿ÉÌæPN8008
- sdh8303´ú»»viper22a/AP8012H£¬PIN½Å¼æÈÝÎÞ
- IR4427Ìæ»»Ð¾Æ¬ID1127Ë«µÍ²à¡¢´óµçÁ÷Çý¶¯£¬
- ¹ú²úµçÔ´¹ÜÀíоƬÓÐÄÄЩ£¿
- ³£ÓõÍѹmos¹ÜÐͺż°Ñ¡ÐÍ£¡
- ob2269Ìæ´úоƬCR6842³É±¾µÍ£¬ÐÔÄܸüÎȶ¨£¡
×îÐÂÎÄÕÂ×ÊѶ
- æê΢µç×Ó | ϲǨÐÂÖ·£¬ÐøÐ´·¢Õ¹ÐÂÆªÕ£¡
- оÅó΢20ÖÜÄê | ´úÀíÊÜÑû¼û֤оÁ¦Á¿£¬¹²¸°
- ¹ýÈÏÖ¤¡¢µÍ³É±¾ | 65W-PD-2C1Aµª»¯ïØÉè¼Æ·½
- ¿ªÒµ´ó¼ª | ÉîÛÚÊÐæê΢µç×Ó-Äþ²¨·Ö¹«Ë¾£¡
- ϲºØÐ¾Åó΢ף¾¸²©Ê¿ÈÙ»ñ¡°½ËÕÇàÄêÎåËĽ±ÕÂ
- CR6212_5V/12V¸ßЧÂÊ¡¢µÍ³É±¾µçÔ´·½°¸£¬Íê
- 2024ÄêÕ¹³á·ÉÏè | 2023Äê¶ÈÒµÎñ×ܽύÁ÷´ó
- ÕæÃ¯¼ÑÖúÁ¦µç¶¯Æû³µÁªÃËÆû³µµç×ÓÔªÆ÷¼þ¹¤×÷
- îýÁ¦AP30H80Q vbus¿ª¹ØMOS»ñµÃ°²¿Ë67W 2C1A
- Ê¿À¼Î¢650V¸ßѹ³¬½áSTSϵÁУ¬¹ã·ºÓ¦ÓÃÓÚÏû
°¢Àï°Í°ÍµêÆÌ
¹Ø×¢æê΢
ÊÕ²Øæê΢

