IR4427Ìæ»»Ð¾Æ¬ID1127Ë«µÍ²à¡¢´óµçÁ÷Çý¶¯£¬¿ÉÍêÃÀ´ú»»£¡
×ֺţºT|T
¡¡¡¡½üÁ½ÄêÀ´£¬ÓÉÓÚȱ»õºÍÕǼ۵ÈÒòËØ£¬ºÜ¶à³§ÉÌͨ¹ý¹ú²úÌæ´úÀ´½â¾öÏîĿȱÁϵÄÎÊÌ⣬¹ú²úµç»úÇý¶¯Ð¾Æ¬ÔÚµçѹÄÍѹ¡¢µçÁ÷Çý¶¯ÄÜÁ¦¼°¿¹¾²µç¡¢¿¹ÀËÓ¿µÈ¿É¿¿ÐÔ·½Ãæ¶¼Óв»´íµÄ±íÏÖ£¬ID1127Ë«µÍ²à¡¢´óµçÁ÷Çý¶¯¿É¼æÈÝÌæ´úIR4427оƬ¡£
¡¡¡¡
¡¡¡¡ir4427´ú»»Ð¾Æ¬ID1127·â×°

¡¡¡¡
¡¡¡¡ir4427Ìæ»»Ð¾Æ¬ID1127ÌØµã¡¡¡¡
¡¡¡¡¡ö 5-18V ¿í·¶Î§¹¤×÷µçѹ·¶Î§¡¡¡¡
¡¡¡¡¡ö ÊäÈë¼æÈÝ 3.3V, 5V Âß¼¹¤×÷µçƽ¡¡¡¡
¡¡¡¡¡ö 3.5A/3.7A À¹àµçÁ÷ÄÜÁ¦

¡¡¡¡
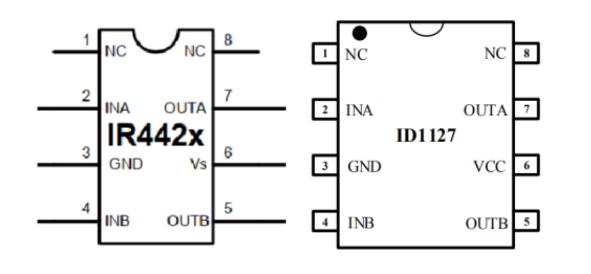
¡¡¡¡ID1127ºÍIR4427оƬ¶¼ÊDzÉÓÃSOP-8·â×°£¬Ð¾Æ¬1½ÅºÍ8½ÅÔÚоƬÖÐ×÷Ϊ³£¿ªÒý½Å£¬²»Æð×÷Óã¬Ò»Í¨µÀÓÉ2½ÅÊäÈëÒý½ÅÓë7½ÅÊä³öÒý½Å×é³É£¬Ð¾Æ¬3½ÅÊÇоƬµÄ½ÓµØÒý½Å¡£Ð¾Æ¬6½Å×÷ΪоƬµÄµçÔ´¹©µçÒý½Å£¬¶þͨµÀÓÉ4½ÅÊäÈëÒý½ÅÓë5½ÅÊä³öÒý½Å×é³É¡£

¡¡¡¡
¡¡¡¡ID1127 ÊÇÒ»¿îµÍµçѹ¡¢¸ßËÙ¹¦ÂÊMOSFETºÍIGBTÇý¶¯Ð¾Æ¬£¬¾ßÓзÀÃÅËøµÄCMOS¼¼Êõ£¬ÆäÒý½Å¹¦ÄܺÍÐÔÄܺÍIR4427оƬ»ù±¾Ò»Ö£¬ID1127¿É¼æÈÝÌæ´úir4427£¬±»¹ã·ºÓ¦ÓÃÓÚPFC¿ØÖÆÆ÷¡¢Âö³å±äѹÆ÷Çý¶¯¡¢DC DCת»»Æ÷¡¢Èκλ¥²¹Çý¶¯×ª»»Æ÷µÈÁìÓò¡£
Ïà¹Ø×ÊѶ
- ¼¸ÖÖ³£¼ûµÄledÇý¶¯Ð¾Æ¬µçÔ´·½°¸ÒÔ¼°×¢ÒâÊÂ
- ³äµçicоƬÐÔÄÜÒªÇó·ÖÎö!
- µÍ¹¦ºÄµçÔ´ÊÊÅäÆ÷icоƬ·½°¸
- HC57015ÎÞÏß³äÖ÷оƬ¹¤×÷ÔÀí
- Ò»ÎĶÁ¶®Ä£ÄâICÓëÊý×ÖICµÄÇø±ð
- ¼¯³Éµç·ICоƬ²úÆ··ÖÀà
- MP6612/MP6619¹ú²úÌæ´úPN7709 40vÂí´ïÕý·´
- ³£Óÿª¹ØµçÔ´pwmоƬ¡ªAP8268
- PN7713¿ÉÌæ´úMP6508/DRV8833Âí´ïÇý¶¯Ð¾Æ¬£¬
- Íò´úao 60v mos¹ÜAO4264E/ÍþÕ×VS6410ASÌæÁÏ
ͬÀàÎÄÕÂÅÅÐÐ
- ap8022´ú»»viper22a¿É¼æÈÝ£¬²»¸ÄPCB¼°ÍâΧ
- µçԴоƬsdh8302s¿ÉPIN½Å´ú»»VIPER12A/AP80
- ʲôÊÇMOS¹ÜµÄÑ©±À¼°mos¹ÜÑ©±À»÷´©ÔÀí£¡
- ³£ÓÃdc-dc½µÑ¹Ð¾Æ¬ÍƼö
- ¹ú²úµçÔ´¹ÜÀíоƬÓÐÄÄЩ£¿
- sdh8303´ú»»viper22a/AP8012H£¬PIN½Å¼æÈÝÎÞ
- PN555LÄÚÖÃ690VС¹¦ÂʷǸôÀëоƬ¿ÉÌæPN8008
- IR4427Ìæ»»Ð¾Æ¬ID1127Ë«µÍ²à¡¢´óµçÁ÷Çý¶¯£¬
- ³£ÓõÍѹmos¹ÜÐͺż°Ñ¡ÐÍ£¡
- ob2269Ìæ´úоƬCR6842³É±¾µÍ£¬ÐÔÄܸüÎȶ¨£¡
×îÐÂÎÄÕÂ×ÊѶ
- оÅó΢20ÖÜÄê | ´úÀíÊÜÑû¼û֤оÁ¦Á¿£¬¹²¸°
- ¹ýÈÏÖ¤¡¢µÍ³É±¾ | 65W-PD-2C1Aµª»¯ïØÉè¼Æ·½
- ¿ªÒµ´ó¼ª | ÉîÛÚÊÐæê΢µç×Ó-Äþ²¨·Ö¹«Ë¾£¡
- ϲºØÐ¾Åó΢ף¾¸²©Ê¿ÈÙ»ñ¡°½ËÕÇàÄêÎåËĽ±ÕÂ
- CR6212_5V/12V¸ßЧÂÊ¡¢µÍ³É±¾µçÔ´·½°¸£¬Íê
- 2024ÄêÕ¹³á·ÉÏè | 2023Äê¶ÈÒµÎñ×ܽύÁ÷´ó
- ÕæÃ¯¼ÑÖúÁ¦µç¶¯Æû³µÁªÃËÆû³µµç×ÓÔªÆ÷¼þ¹¤×÷
- îýÁ¦AP30H80Q vbus¿ª¹ØMOS»ñµÃ°²¿Ë67W 2C1A
- Ê¿À¼Î¢650V¸ßѹ³¬½áSTSϵÁУ¬¹ã·ºÓ¦ÓÃÓÚÏû
- оÅóPN8213»ñƷʤ65Wµª»¯ïسäµçÆ÷²ÉÓ㬿É
°¢Àï°Í°ÍµêÆÌ
¹Ø×¢æê΢
ÊÕ²Øæê΢

