成都逍遥耍耍网论坛,天津-凤江湖论坛春风阁(全国信息) ,一品香论坛登录入口风楼阁交友平台 ,快活林信息发布论坛汇总

³äµçÆ÷оƬ°¢Àï°Í°ÍµêÆÌ ¿ª¹ØµçԴоƬ¹Ø×¢æê΢ µç»úÇý¶¯Ð¾Æ¬ÊÕ²Øæê΢ »¶Ó­½øÈëµçԴоƬ/Çý¶¯Ð¾Æ¬¡¢MOS¡¢IGBT¡¢¶þÈý¼«¹Ü¡¢ÇŶѵȵç×ÓÔªÆ÷¼þ´úÀíÉÌ--æê΢µç×Ó¹ÙÍø
¸ß¼¶ËÑË÷

ËÑË÷Ò»

ËÑË÷¶þ

³äµç¹ÜÀíIC·½°¸

ÍÆ¼ö²úÆ·

ÁªÏµÎÒÃÇ

¿ª¹ØµçԴоƬ
ÉîÛÚÊÐæê΢µç×ӿƼ¼ÓÐÏÞ¹«Ë¾

µç»°£º0755-23087599

ÊÖ»ú£º13808858392

ÓÊÏ䣺dunianhua@leweitech.com

µØÖ·£ºÉîÛÚÊб¦°²ÇøÎ÷Ïçº×ÖÞºã·á¹¤Òµ³ÇB11¶°5Â¥¶«

prevnext

AP2952A 2A 18V ͬ²½ÕûÁ÷½µÑ¹×ª»»Æ÷

ËùÊô·ÖÀࣺChipown/оÅó΢
Æ·ÅÆ£ºÐ¾Åó΢
ÐͺţºAP2952AS8PRG
·â×°£ºSOP8-PP
¹¦ÂÊ£º4.75V-18V
µçÁ÷£º2A
¶©¹ºÈÈÏߣº0755-23087599
¡¡¡¡AP2952AÊÇÒ»¿îµ¥Æ¬Í¬²½ÕûÁ÷½µÑ¹ÎÈѹÆ÷£¬Ëü¼¯³ÉÁ˵¼Í¨×迹130mΩµÄMOSFET£¬¿ÉÒÔÔںܿíµÄÊäÈëµçѹ·¶Î§£¨4.75V-18V£©ÄÚÌṩ2AµÄ¸ºÔØÄÜÁ¦¡£µçÁ÷ģʽ¿ØÖÆÊ¹Æä¾ßÓкܺõÄ˲̬ÏìÓ¦ºÍµ¥ÖÜÆÚÄÚµÄÏÞÁ÷¹¦ÄÜ¡£¿Éµ÷µÄÈíÆô¶¯Ê±¼äÄܱÜÃ⿪Æô˲¼äµÄ³å»÷µçÁ÷£¬ÔÚÍ£»úģʽÏ£¬ÊäÈëµçÁ÷СÓÚ1uA¡£¡¡¡¡
¡¡¡¡AP2952A 2A, 18V ͬ²½ÕûÁ÷½µÑ¹×ª»»Æ÷·âװΪSOP8-PP£¬Í¬Ê±ÌṩÁ˽ô´ÕµÄϵͳ·½°¸£¬¿ÉÒÔ×î´óÏ޶ȵļõÉÙÍâΧԪ¼þ¡£
¡¡¡¡
¡¡¡¡AP2952Ð¾Æ¬ÌØÐÔ¡¡¡¡
¡¡¡¡¡ö 2AÊä³öµçÁ÷¡¡¡¡
¡¡¡¡¡ö ÊäÈëµçѹ·¶Î§4.75Vµ½18V¡¡¡¡
¡¡¡¡¡ö ÄÚ²¿¼¯³É130mΩµÄ¹¦ÂÊMOSFET¡¡¡¡
¡¡¡¡¡ö Êä³ö¿Éµ÷·¶Î§Îª0.925Vµ½15V¡¡¡¡
¡¡¡¡¡ö ЧÂʿɴï95%¡¡¡¡
¡¡¡¡¡ö ¿Éµ÷ÈíÆô¶¯Ê±¼ä¡¡¡¡
¡¡¡¡¡ö ÍâΧʹÓõÍESR´ÉƬµçÈݿɱ£Ö¤ÆäÎȶ¨¹¤×÷¡¡¡¡
¡¡¡¡¡ö ¹Ì¶¨µÄ450kHz¹¤×÷ƵÂÊ¡¡¡¡
¡¡¡¡¡ö ÿ¸öÖÜÆÚÄÚ¶¼ÓÐÏÞÁ÷¹¦ÄÜ¡¡¡¡
¡¡¡¡¡ö ¾ßÓÐǷѹ±£»¤¹¦ÄÜ¡¡¡¡
¡¡¡¡¡ö É¢ÈÈÄÜÁ¦½ÏÇ¿µÄSOP8-PP·â×°
¡¡¡¡
¡¡¡¡·â×°Òý½ÅÃèÊö

Òý½ÅÐòºÅ Òý½ÅÃû³Æ Òý½ÅÃèÊö
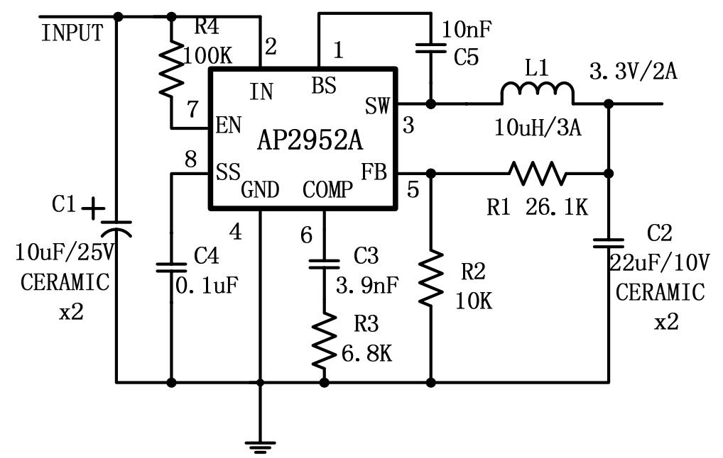
1 BS ÉϹÜÕ¤¼«Çý¶¯ÉýѹÊäÈë¡£BSΪÉϹÜN¹µµÀMOSFET¿ª¹ØÌṩÇý¶¯¡£´ÓSWµ½BS¶ËÁ¬½ÓÒ»¸ö0.01uF»ò¸ü´óµÄµçÈÝ¡£
 
2
 
IN
µçÔ´ÊäÈ롣ΪICÒÔ¼°½µÑ¹×ª»»Æ÷¿ª¹ØÌṩÊäÈëµçÔ´¡£ÔÚ4.75VÖÁ18VµÄµçѹ·¶Î§Çý¶¯IN¡£Í¨¹ýÒ»¸öÊʵ±µÄ´óµçÈÝÅÔ·INµ½µØ£¬ÒÔÏû³ýÊäÈëICµÄÔëÉù¡£
3 SW ¹¦ÂÊ¿ª¹ØÊä³ö¡£SWΪ¿ª¹Ø½ÚµãÌṩµçÔ´Êä³ö¡£´ÓSW¶Ëµ½Êä³ö¸ºÔØÁ¬½ÓÊä³öLCÂ˲¨Æ÷¡£Çë×¢Ò⣬´ÓSWµ½BSÐèÒª½ÓÒ»¸öµçÈÝ¡£
4 GND µçÔ´µØ(Á¬½ÓÂ㶺¸Å̵½4Òý½Å)¡£
5 FB ·´À¡ÊäÈë¶Ë¡£FB¸ÐÓ¦Êä³öµçѹÀ´µ÷½ÚÕâ¸öµçѹ¡£Í¨¹ýÀ´×ÔÊä³öµçѹµÄÒ»¸öµç×è·ÖѹÆ÷Çý¶¯FB¡£·´À¡ãÐÖµµçѹÊÇ0.925V¡£
 
6
 
COMP
²¹³¥½Úµã¡£COMPÓÃÀ´²¹³¥µ÷½Ú¿ØÖÆ»ØÂ·¡£´ÓCOMP½Åµ½GNDÁ¬½ÓÒ»¸öRCÍøÂçÀ´²¹³¥µ÷½Ú¿ØÖÆ»ØÂ·¡£ÔÚijЩÇé¿öÏ£¬´ÓCOMPµ½GNDÖ®¼ä±ØÐë½ÓÒ»¸ö¶îÍâµÄµçÈÝ¡£
 
7
 
EN
ʹÄÜÊäÈë¶Ë¡£ENΪÊý×ÖÊäÈ룬´ò¿ª»ò¹Ø±Õµ÷½ÚÆ÷¡£Çý¶¯EN¶Ë±ä¸ß´ò¿ªµ÷½ÚÆ÷£¬Çý¶¯Ëü±äµÍ¹Ø±Õµ÷½ÚÆ÷£¬×Ô¶¯Æô¶¯Ê±Ðè¼Ó100 kΩÉÏÀ­µç×è¡£
 
8
 
SS
ÈíÆô¶¯¿ØÖÆÊäÈë¡£SS¿ØÖÆÈíÆô¶¯Ê±¼ä¡£´ÓSSµ½GNDÁ¬½ÓÒ»¸öµçÈÝ£¬ÓÃÀ´ÉèÖÃÈíÆô¶¯Ê±¼ä¡£Ò»¸ö0.1μFµçÈÝÉèÖÃÈíÆô¶¯Ê±¼äΪ15mS¡£Òª½ûÓÃÈíÆô¶¯¹¦ÄÜ£¬¾Í²»Á¬½ÓSS¡£
¡¡¡¡
¡¡¡¡µäÐÍÓ¦Óõç·ͼ
¡¡¡¡
¡¡¡¡Ó¦ÓÃÁìÓò¡¡¡¡
¡¡¡¡¡ö ·ÖÁ¢Ê½µçԴϵͳ¡¡¡¡
¡¡¡¡¡ö ÍøÂçϵͳ¡¡¡¡
¡¡¡¡¡ö FPGA, DSP, ASICµçÔ´¡¡¡¡
¡¡¡¡¡ö ÂÌÉ«µç×Ó²úÆ·¡¡¡¡
¡¡¡¡¡ö ±Ê¼Ç±¾µçÄÔ
¡¡¡¡
¡¡¡¡AP2952AÊÇÒ»¿îͬ²½ÕûÁ÷£¬µçÁ÷ģʽ£¬½µÑ¹ÎÈѹÆ÷¡£Ëüµ÷½Ú´Ó 4.75Vµ½ 18VµÄÊäÈëµçѹϵÄÊä³öµçѹ¿ÉÒÔµÍÖÁ0.925V£¬¹©Ó¦×î´ó¸ºÔصçÁ÷Ϊ 2A£¬¸ü¶àAP2952оƬ2A, 18V ͬ²½ÕûÁ÷½µÑ¹×ª»»Æ÷£¬²úÆ·ÊֲᡢµçÆøÌØÐÔµÈ×ÊÁÏÇëÏòÎÒÃÇÉêÇë¡£>>
²úÆ·ÖÐÐÄ ¹ØÓÚæê΢ ÁªÏµÎÒÃÇ