推荐产品
联系我们
深圳市骊微电子科技有限公司
电话:0755-23087599
手机:13808858392
邮箱:dunianhua@leweitech.com
地址:深圳市宝安区西乡鹤洲恒丰工业城B11栋5楼东
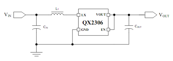
QX2306_电源管理IC QX2306
所属分类:QX泉芯系列
品牌:QX/泉芯
型号:QX2306
封装:SOT23-3 SOT23-5 SOT89-3 TO-92
功率:250mA
电流:250mA
型号:QX2306
封装:SOT23-3 SOT23-5 SOT89-3 TO-92
功率:250mA
电流:250mA
订购热线:0755-23087599
QX2306产品描述:
QX2306是一款高效率、低功耗、低纹波、高工作频率的PFM同步升压DC/DC变换器。
QX2306仅需要三个外围元件,就可完成将低输入的电池电压变换升压到所需的工作电压。
QX2306的输出电压,可通过内部调节进行选择(步进 0.1V),方便客户应用于不同的输出负载情况。输出电压具有低纹波,低噪声的特点。
QX2306内置的同步开关管可极大降低开关管上的损耗,使效率最高可达92%,
QX2306工作于 PFM 模式,可有效降低轻载模式下的损耗,提高设备的使用周期。同时,芯片低的静态电流可进一步降低系统损耗。
QX2306产品特点:
最高效率:92%
最高工作频率:300 KHz
低静态电流:13uA
可选输出电压:1.9V~3.3V
输出精度:±2.5%
低启动电压:0.65V
低纹波,低噪声
典型应用图

典型应用图

阿里巴巴店铺
关注骊微
收藏骊微










