成都逍遥耍耍网论坛,天津-凤江湖论坛春风阁(全国信息) ,一品香论坛登录入口风楼阁交友平台 ,快活林信息发布论坛汇总

³äµçÆ÷оƬ°¢Àï°Í°ÍµêÆÌ ¿ª¹ØµçԴоƬ¹Ø×¢æê΢ µç»úÇý¶¯Ð¾Æ¬ÊÕ²Øæê΢ »¶Ó­½øÈëµçԴоƬ/Çý¶¯Ð¾Æ¬¡¢MOS¡¢IGBT¡¢¶þÈý¼«¹Ü¡¢ÇŶѵȵç×ÓÔªÆ÷¼þ´úÀíÉÌ--æê΢µç×Ó¹ÙÍø
¸ß¼¶ËÑË÷

ËÑË÷Ò»

ËÑË÷¶þ

³äµç¹ÜÀíIC·½°¸

ÍÆ¼ö²úÆ·

ÁªÏµÎÒÃÇ

¿ª¹ØµçԴоƬ
ÉîÛÚÊÐæê΢µç×ӿƼ¼ÓÐÏÞ¹«Ë¾

µç»°£º0755-23087599

ÊÖ»ú£º13808858392

ÓÊÏ䣺dunianhua@leweitech.com

µØÖ·£ºÉîÛÚÊб¦°²ÇøÎ÷Ïçº×ÖÞºã·á¹¤Òµ³ÇB11¶°5Â¥¶«

prevnext

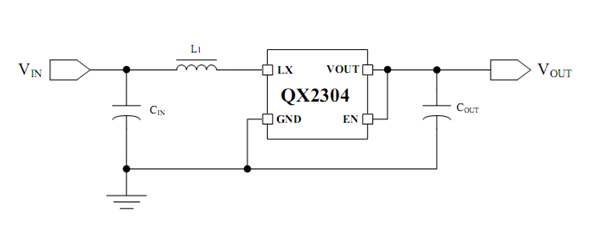
QX2304_µçÔ´IC QX2304

ËùÊô·ÖÀࣺQXȪоϵÁÐ
Æ·ÅÆ£ºÈªÐ¾
ÐͺţºQX2304
·â×°£ºSOT23-3 SOT23-5 SOT89-3 TO-92
¹¦ÂÊ£º2W
µçÁ÷£º300mA
¶©¹ºÈÈÏߣº0755-23087599
QX2304 ²úÆ·ÃèÊö£º

QX2304ÊÇÒ»¿î¸ßЧÂÊ¡¢µÍ¹¦ºÄ¡¢µÍ ÎÆ²¨¡¢¸ß¹¤×÷ƵÂʵÄPFMͬ²½ÉýѹDC-DC±ä»»Æ÷¡£ QX2304½öÐèÒªÈý¸öÍâΧԪ¼þ£¬¾Í¿ÉÍê³É½«µÍÊäÈëµÄµç³Øµçѹ±ä»»Éýѹµ½ËùÐèµÄ¹¤×÷µçѹ¡£ QX2304µÄÊä³öµçѹ£¬¿Éͨ¹ýÄÚ²¿µ÷½Ú½øÐÐÑ¡Ôñ£¨²½½ø0.1V£©£¬·½±ã¿Í»§Ó¦ÓÃÓÚ²»Í¬µÄÊä³ö¸ºÔØÇé¿ö¡£QX2304ϵͳÊä³öµçѹ¾ßÓеÍÎÆ²¨£¬µÍÔëÉùµÄÌØµã¡£
QX2304ÄÚÖõÄͬ²½¿ª¹Ø¹Ü¿É¼«´ó½µµÍ¿ª¹Ø¹ÜÉϵÄËðºÄ£¬Ê¹Ð§ÂÊ×î¸ß¿É´ï95%¡£QX2304¹¤×÷ÓÚPFMģʽ£¬¿ÉÓÐЧ½µµÍÇáÔØÄ£Ê½ÏµÄËðºÄ£¬Ìá¸ßÉ豸µÄʹÓÃÖÜÆÚ¡£Í¬Ê±£¬Ð¾Æ¬µÍµÄ¾²Ì¬µçÁ÷¿É½øÒ»²½½µµÍϵͳËðºÄ¡£
 
QX2304²úÆ·ÌØµã£º
×î¸ßЧÂÊ£º95% 
×î¸ß¹¤×÷ƵÂÊ£º300 KHz 
µÍ¾²Ì¬µçÁ÷£º15uA 
¿ÉÑ¡Êä³öµçѹ£º2.5V¡«3.6V 
Êä³ö¾«¶È£º±2.5% 
¿íÊäÈëµçѹ·¶Î§£º0.9V¡«3.6V 
µÍÎÆ²¨£¬µÍÔëÉù

 µäÐÍÓ¦ÓÃͼ




 
²úÆ·ÖÐÐÄ ¹ØÓÚæê΢ ÁªÏµÎÒÃÇ