成都逍遥耍耍网论坛,天津-凤江湖论坛春风阁(全国信息) ,一品香论坛登录入口风楼阁交友平台 ,快活林信息发布论坛汇总

³äµçÆ÷оƬ°¢Àï°Í°ÍµêÆÌ ¿ª¹ØµçԴоƬ¹Ø×¢æê΢ µç»úÇý¶¯Ð¾Æ¬ÊÕ²Øæê΢ »¶Ó­½øÈëµçԴоƬ/Çý¶¯Ð¾Æ¬¡¢MOS¡¢IGBT¡¢¶þÈý¼«¹Ü¡¢ÇŶѵȵç×ÓÔªÆ÷¼þ´úÀíÉÌ--æê΢µç×Ó¹ÙÍø
¸ß¼¶ËÑË÷

ËÑË÷Ò»

ËÑË÷¶þ

³äµç¹ÜÀíIC·½°¸

ÍÆ¼ö²úÆ·

ÁªÏµÎÒÃÇ

¿ª¹ØµçԴоƬ
ÉîÛÚÊÐæê΢µç×ӿƼ¼ÓÐÏÞ¹«Ë¾

µç»°£º0755-23087599

ÊÖ»ú£º13808858392

ÓÊÏ䣺dunianhua@leweitech.com

µØÖ·£ºÉîÛÚÊб¦°²ÇøÎ÷Ïçº×ÖÞºã·á¹¤Òµ³ÇB11¶°5Â¥¶«

prevnext

PN8160_12v2a ³¬µÍ´ý»ú¹¦ºÄµçԴоƬ

ËùÊô·ÖÀࣺChipown/оÅó΢
Æ·ÅÆ£ºÐ¾Åó΢
ÐͺţºPN8160
·â×°£ºDIP8
¹¦ÂÊ£º24W
µçÁ÷£º1.5A
¶©¹ºÈÈÏߣº0755-23087599
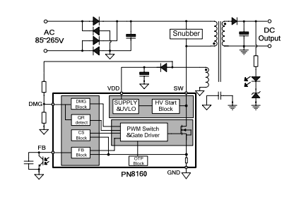
PN8160 ³¬µÍ´ý»ú¹¦ºÄµçԴоƬÄÚ²¿¼¯³ÉÁËÂö¿íµ÷ÖÆ¿ØÖÆÆ÷ºÍ¹¦ÂÊMOSFET£¬ÓÃÓÚ¸ßÐÔÄÜ¡¢ÍâΧԪÆ÷¼þ¾«¼òµÄ½»Ö±Á÷ת»»¿ª¹ØµçÔ´£¬¸ÃоƬÌṩÁ˼«ÎªÈ«ÃæºÍÐÔÄÜÓÅÓÅÒìµÄÖÇÄÜ»¯±£»¤¹¦ÄÜ£¬°üÀ¨ÖÜÆÚʽ¹ýÁ÷±£»¤£¬¹ýÔØ±£»¤£¬ÈíÆô¶¯¹¦ÄÜ¡£Í¨ÖªQR+CCMECO-modeBurst-modeµÄÈýÖÖģʽ»ìºÏµ÷ÖÆ¼¼ÊõºÍÌØÊâÆ÷¼þµÍ¹¦ºÄ½á¹¹¼¼ÊõʵÏÖÁ˳¬µÍµÄ´ý»ú¹¦ºÄ£¬È«µçѹ·¶Î§ÏµÄ×î¼ÑЧÂÊ¡£ÆµÂʵ÷ÖÆ¼¼ÊõºÍSoftDriver¼¼Êõ³ä·Ö±£Ö¤Á¼ºÃµÄ£Å£Í£É±íÏÖ¡£
 
PN8160Ð¾Æ¬ÌØµã£º
¡ö רÀû¸ßѹÆô¶¯£¬ÎÞÐèÆô¶¯µç×裬´ý»ú¹¦ºÄСÓÚ50mW£»
¡ö QR-PWM + QR-PFM + Burst ModeÌá¸ßƽ¾ùЧÂÊ£¬¾«×¼¹Èµ×¿ªÍ¨Ëã·¨£¬ÇáËÉÂú×ãÁù¼¶ÄÜЧ£»
¡ö ×ÔÊÊÓ¦PWM¹¤×÷ƵÂÊ(85/65kHz)£¬¼õС±äѹÆ÷Ìå»ý£¬Ð£Õý¸ßµÍѹ¹ýÁ÷µãÒ»ÖÂÐÔ£»
¡ö ÄÚÖõçÁ÷²ÉÑù¹Ü£¬ÎÞÐèCSµç×裬½ÚÊ¡³É±¾¡¢Ìá¸ßЧÂÊ¡¢¼ò»¯²¼°å£»
¡ö µþ²ã·â×°¼¼Êõ£¬ÈÈ×è¸üС£¬24WÎÞÐèÉ¢ÈÈÆ¬£»¸ßµÍѹ½ÅλÁ½²àÅÅÁУ¬¸ü¸ß°²È«ÐÔ£»
¡ö ³¬¿íVDDµçѹ8-40V£¬ÊʺϿì³äÓ¦Óã»
¡ö È«Ãæ±£»¤¹¦ÄÜ£ºÊä³ö¹ýѹ±£»¤¡¢VDDÇ·¹ýѹ±£»¤¡¢¹ýα£»¤¡¢¹ýÔØ±£»¤¡¢Êä³ö¶þ¼«¹Ü¶Ì·µÈ±£»¤£»
¡ö ³¬¸ß¿É¿¿ÐÔ£º40V BCDƽ̨ + 690V Smart MOSFET£»HBM ESD´óÓÚ4kV£»LatchupµçÁ÷´óÓÚ200mA¡£

·â×°/¶©¹ºÐÅÏ¢

µäÐÍÓ¦ÓÃͼ
 
¡¡¡¡Ó¦ÓÃÁìÓò¡¡¡¡
¡¡¡¡¡ö ´ý»úµçÔ´¡¡¡¡
¡¡¡¡¡ö ¿ª·Åʽ¿ª¹ØµçÔ´¡¡¡¡
¡¡¡¡¡ö ÊÊÅäÆ÷

¡¡¡¡PN8160³¬µÍ´ý»ú¹¦ºÄµçԴоƬϵÁвÉÓÃSOP-8ºÍDIP8·â×°£¬ÓÐPN8160NEC-T1T¡¢PN8160NEC-T1R¡¢PN8160NEC-T1H¡¢PN8160NEC-T1M¡¢PN8160NEC-T1X¡¢PN8160SEC-R1H¼¸ÖÖ²úÆ·¹æ¸ñ£¬µäÐÍÓ¦Óù¦ÂÊ18W-24W£¬¸ü¶àpn8160оƬ¹æ¸ñÊé¡¢pn8160Ó¦Óõç·¼°pn8160Éè¼Æ×ÊÁÏÇëÏòÎÒÃÇÉêÇë¡£>>


 
²úÆ·ÖÐÐÄ ¹ØÓÚæê΢ ÁªÏµÎÒÃÇ