È«²¿²úÆ··ÖÀà
¼¯³Éµç·IC
- ÓÅÊÆ²úÆ·
- Chipown/оÅó΢
- оÅóµç»úÇý¶¯Ð¾Æ¬
- SLAN/Ê¿À¼Î¢
- CR/Æô³¼Î¢
- FM/¸»ÂúϵÁÐ
- SF/ÈüÍþоƬ
- XL/оÁúϵÁÐ
- LW/æê΢
³¡Ð§Ó¦¹Ü/MOS/IGBT
¶þ¼«¹Ü
Èý¼«¹Ü
ÍÆ¼ö²úÆ·
ÁªÏµÎÒÃÇ
ÉîÛÚÊÐæê΢µç×ӿƼ¼ÓÐÏÞ¹«Ë¾
µç»°£º0755-23087599
ÊÖ»ú£º13808858392
ÓÊÏ䣺dunianhua@leweitech.com
µØÖ·£ºÉîÛÚÊб¦°²ÇøÎ÷Ïçº×ÖÞºã·á¹¤Òµ³ÇB11¶°5Â¥¶«
CR6248 12wÔ±ßоƬ
ËùÊô·ÖÀࣺCR/Æô³¼Î¢
Æ·ÅÆ£ºCRÆô³½Î¢
ÐͺţºCR6248
·â×°£ºDIP-8L
¹¦ÂÊ£º12W
µçÁ÷£º12V1A/5V2.4A
ÐͺţºCR6248
·â×°£ºDIP-8L
¹¦ÂÊ£º12W
µçÁ÷£º12V1A/5V2.4A
¶©¹ºÈÈÏߣº0755-23087599
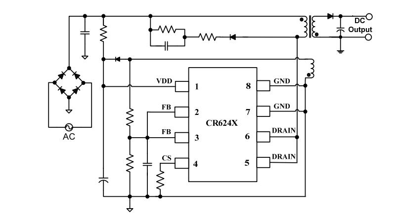
¡¡¡¡CR6248ÊÇÒ»¿î¸ß¾«¶ÈCC/CVԱ߼ì²âPWM¿ª¹Ø£¬´ý»ú¹¦ºÄСÓÚ 75mW¡£¼¯³ÉÁ˶àÖÖ¹¦Äܺͱ£»¤ÌØÐÔ£¬°üÀ¨Ç·Ñ¹Ëø¶¨£¨UVLO£©£¬VDD ¹ýѹ±£»¤£¨OVP£©£¬ÈíÆô¶¯£¬¹ýα£»¤£¨OTP£©£¬ÖðÖÜÆÚµçÁ÷ÏÞÖÆ£¨OCP£©£¬CS Òý½ÅÐü¿Õ±£»¤£¬Êä³ö¶Ì·±£»¤£¬ÄÚÖÃÇ°ÑØÏûÒþµç·£¬Ê¹µÃCR6248 12wÔ±ßоƬ¾ßÓиü¸ßµÄ¿É¿¿ÐÔ¡£¡¡¡¡
¡¡¡¡CR6248 12wÔ±ßоƬÄÚ²¿²ÉÓÃÁ˶àģʽ¿ØÖƵÄЧÂʾùºâ¼¼Êõ£¬ÓÃÓÚÓÅ»¯Ð¾Æ¬ÏµÍ³´ý»ú¹¦ºÄºÍÌáÉýЧÂÊ£¬Í¬Ê±²ÉÓÃÁ˳õ¼¶µç¸ÐÁ¿²¹³¥¼¼ÊõºÍÄÚ²¿¼¯³ÉµÄÊä³öÏßµçѹ²¹³¥¼¼Êõ£¬±£Ö¤ÁËоƬÔÚÅúÁ¿Éú²ú¹ý³ÌÖÐCC/CV Êä³ö¾«¶È£¬ÄÚÖõÄÈ«µçѹ¹¦ÂÊ×ÔÊÊÓ¦²¹³¥¼¼Êõ±£Ö¤ÁËϵͳÔÚÈ«µçѹ·¶Î§£¨90V~264V£©ÄÚÊä³öºã¶¨µÄ¹¦ÂÊ¡£
¡¡¡¡
¡¡¡¡cr6248µçÔ´icÌØµã¡¡¡¡
¡¡¡¡¡ö ¸ß¾«¶È CC/CV ¿ØÖÆ£¬ÎÞÐè¹âñîºÍ TL431¡¡¡¡
¡¡¡¡¡ö ÄÚÖà 650V ¹¦ÂÊ¿ª¹Ø MOSFET¡¡¡¡
¡¡¡¡¡ö µÍµÄÆô¶¯µçÁ÷£º5uA£¨Typ£©¡¡¡¡
¡¡¡¡¡ö µÍµÄ¹¤×÷µçÁ÷£º1mA£¨Typ£©¡¡¡¡
¡¡¡¡¡ö ÄÚÖÃÈíÆô¶¯¹¦ÄÜ¡¡¡¡
¡¡¡¡¡ö ÄÚÖÃÇ°ÑØÏûÒþµç·(LEB)¡¡¡¡
¡¡¡¡¡ö ÄÚÖÃÓÅ»¯ EMI ÌØÐԵ緡¡¡¡
¡¡¡¡¡ö ÄÚÖÃÈ«µçѹ¹¦ÂÊ×ÔÊÊÓ¦²¹³¥¹¦ÄÜ¡¡¡¡
¡¡¡¡¡ö ÄÚÖóõ¼¶µç¸ÐÁ¿Æ«²î²¹³¥¹¦ÄÜ¡¡¡¡
¡¡¡¡¡ö ÄÚÖÃÊä³öÏßѹ½µ²¹³¥¡¡¡¡
¡¡¡¡¡ö ÄÚÖöàÖØ±£»¤¹¦ÄÜ¡¡¡¡
¡¡¡¡¡ö DIP-8LÂÌÉ«·â×°
¡¡¡¡
¡¡¡¡cr6248Òý½Å·Ö²¼¼°ÃèÊö


¡¡¡¡
¡¡¡¡CR6248µçÔ´µç·ͼ

¡¡¡¡
¡¡¡¡Ó¦ÓÃÁìÓò¡¡¡¡
¡¡¡¡¡ö С¹¦ÂʵçÔ´ÊÊÅäÆ÷¡¡¡¡
¡¡¡¡¡ö ·äÎѵ绰³äµçÆ÷¡¡¡¡
¡¡¡¡¡ö ÊýÂëÏà»ú³äµçÆ÷¡¡¡¡
¡¡¡¡¡ö µçÄԺͷþÎñÆ÷¸¨ÖúµçÔ´¡¡¡¡
¡¡¡¡¡ö Ìæ´úÏßÐÔµ÷ÕûÆ÷ºÍRCC
¡¡¡¡
¡¡¡¡CR6248 ²ÉÓÃDIP-8L·â×°£¬230VAC 15%Ó¦Óù¦ÂÊ≤15W£¬90-265VACÓ¦Óù¦ÂÊ≤13W£¬¹Ü½Å¼°¹¦ÄÜÓëOB2530»ù±¾Ò»Ö£¬¿É¼æÈÝ´ú»»OB2530£¬±»¹ã·ºÓ¦ÓÃÓÚÊÖ»ú¡¢ÎÞÉþµç»°¡¢PDA¡¢ÊýÂëÏà»úµÈµç³Ø³äµçÆ÷¡¢Ð¡¹¦ÂÊÊÊÅäÆ÷¡¢PC¡¢TV µÈ¸¨ÖúµçÔ´¡¢ÏßÐÔµçÔ´/RCC Ìæ»»µÈÁìÓò£¬¸ü¶à12wÔ±ßоƬCR6248_5V2.4A¡¢CR6248_12V1A³äµçÆ÷/ÊÊÅäÆ÷·½°¸²úÆ·ÊֲᡢӦÓÃÉè¼ÆÖ¸µ¼ÊéµÈ×ÊÁÏÇëÏòÆô³½Î¢´úÀíæê΢µç×ÓÉêÇë¡£>>
¡¡¡¡
°¢Àï°Í°ÍµêÆÌ
¹Ø×¢æê΢
ÊÕ²Øæê΢










