ÍÆ¼ö²úÆ·
ÁªÏµÎÒÃÇ
ÉîÛÚÊÐæê΢µç×ӿƼ¼ÓÐÏÞ¹«Ë¾
µç»°£º0755-23087599
´«Õ棺0755-23082933
ÓÊÏ䣺yishanbo@leweitech.com
µØÖ·£ºÉîÛÚÊб¦°²ÇøÎ÷Ïçº×ÖÞºã·á¹¤Òµ³ÇB11¶°5Â¥¶«
F5335_5V2.4A³µÔسäµçÆ÷IC F5335
ËùÊô·ÖÀࣺ贺£ÏµÁÐ
Æ·ÅÆ£ºè´º£
ÐͺţºF5335
·â×°£ºSOP8-EP
¹¦ÂÊ£º12W
µçÁ÷£º2.4A
ÐͺţºF5335
·â×°£ºSOP8-EP
¹¦ÂÊ£º12W
µçÁ÷£º2.4A
¶©¹ºÈÈÏߣº0755-23087599
F5335²úÆ·ÃèÊö£º
F5335Êǵ¥Æ¬¼¯³Éµç·ÌṩËùÓеĻîÐÔ¹¦ÄܽµÑ¹CC /¼òÀú¿ª¹ØÊ½ÎÈѹÆ÷¿ª³µ3¸ºÔصÄÄÜÁ¦¡£9.5 vµÄÊäÈëµçѹ·¶Î§¿í40 vʹF5335Êʺϵ÷½ÚȨÁ¦´Ó¸÷ÖÖ¸÷ÑùµÄÀ´Ô´°üÀ¨24 v
F5335Êǵ¥Æ¬¼¯³Éµç·ÌṩËùÓеĻîÐÔ¹¦ÄܽµÑ¹CC /¼òÀú¿ª¹ØÊ½ÎÈѹÆ÷¿ª³µ3¸ºÔصÄÄÜÁ¦¡£9.5 vµÄÊäÈëµçѹ·¶Î§¿í40 vʹF5335Êʺϵ÷½ÚȨÁ¦´Ó¸÷ÖÖ¸÷ÑùµÄÀ´Ô´°üÀ¨24 v
¹¤ÒµÓÃÆ·ºÍÆû³µµç³Ø¡£»îÔ¾µÄCCÊÇÒ»¸öרÀû¿ØÖÆ·½°¸ÊµÏÖ×î¸ß¾«¶È´«¸ÐÆ÷²»ºãÁ÷¿ØÖÆ¡£
F5335ÌṩÁËÒ»¸öÍêÕûµÄÉè¼ÆÊ¹ÓÃ×îСÊýÁ¿µÄÍⲿ×é¼þ¡£
F5335Ò²½¨Á¢Á˿ɱà³ÌÈíÆô¶¯¡¢Êä³ö¹ýÁ÷±£»¤¡¢Êä³ö¶Ì·±£»¤¡¢ÈÈÍ£¶ÑºÍÊä³öµçÀ²¹³¥¹¦ÄÜ¡£
F5335²úÆ·ÌØµã£º
¸ß¶ËµçÔ´¿ª¹ØÄÚ²¿140
ÏìÁË9.5 v ~ 40 v VIN²Ù×÷
¹Ì¶¨200ǧºÕÇл»ÆµÂÊ
¹ýµçÁ÷±£»¤
3Ò»¸öºã¶¨µÄÊä³öµçÁ÷ÄÜÁ¦
5%׼ȷµÄÊä³öµçÁ÷¿ØÖÆ
ÓÅÐãµÄÏߺ͸ºÔص÷½Ú
ÄÚ²¿¿É±à³ÌÈíÆô¶¯
Êä³ö¶Ì·±£»¤
ÖðÖÜÆÚµçÁ÷ÏÞÖÆ±£»¤
Êä³öÏßµçѹ½µ²¹³¥
ÄÚ²¿Èȹػú(TSD)
SOP8-EP·â×°
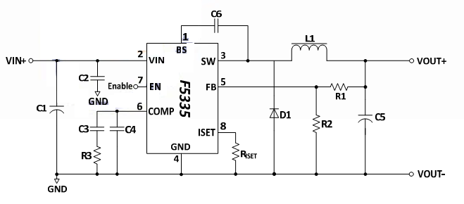
µäÐÍÓ¦ÓÃͼ

µäÐÍÓ¦ÓÃͼ

°¢Àï°Í°ÍµêÆÌ
¹Ø×¢æê΢
ÊÕ²Øæê΢










