成都逍遥耍耍网论坛,天津-凤江湖论坛春风阁(全国信息) ,一品香论坛登录入口风楼阁交友平台 ,快活林信息发布论坛汇总

³äµçÆ÷оƬ°¢Àï°Í°ÍµêÆÌ ¿ª¹ØµçԴоƬ¹Ø×¢æê΢ µç»úÇý¶¯Ð¾Æ¬ÊÕ²Øæê΢ »¶Ó­½øÈëµçԴоƬ/Çý¶¯Ð¾Æ¬¡¢MOS¡¢IGBT¡¢¶þÈý¼«¹Ü¡¢ÇŶѵȵç×ÓÔªÆ÷¼þ´úÀíÉÌ--æê΢µç×Ó¹ÙÍø
¸ß¼¶ËÑË÷

ËÑË÷Ò»

ËÑË÷¶þ

³äµç¹ÜÀíIC·½°¸

ÍÆ¼ö²úÆ·

ÁªÏµÎÒÃÇ

¿ª¹ØµçԴоƬ
ÉîÛÚÊÐæê΢µç×ӿƼ¼ÓÐÏÞ¹«Ë¾

µç»°£º0755-23087599

ÊÖ»ú£º13808858392

ÓÊÏ䣺dunianhua@leweitech.com

µØÖ·£ºÉîÛÚÊб¦°²ÇøÎ÷Ïçº×ÖÞºã·á¹¤Òµ³ÇB11¶°5Â¥¶«

prevnext

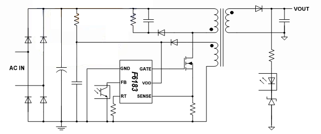
F6183_AC/DCÂóäIC·½°¸ F6183

ËùÊô·ÖÀࣺÓÅÊÆ²úÆ·
Æ·ÅÆ£ºLHè´º£
ÐͺţºF6183
·â×°£ºSOP8
¹¦ÂÊ£º12W
µçÁ÷£º2.4A
¶©¹ºÈÈÏߣº0755-23087599
F6183²úÆ·ÃèÊö£º
F6183 PWM¿ª¹ØÆµÂÊÊÇÍⲿ¿É±à³Ì¿ÉÒÔ¼õÉÙµçÔ´µÄ´«µ¼EMI·¢É䡣ͬ²½µÄбÆÂ²¹³¥µÄIC¡£¿ØÖÆÆ÷Çý¶¯µÍÃÅ¿ª¹ØÉ豸ÄÚÖÃMOSFETÒò´ËÐèÒªÒ»¸ö·Ç³£Ð¡µÄ²Ù×÷ÄÜÁ¦¡£ÓÉÓÚF6183µçÁ÷ģʽ¿ØÖÆ´ó´ó¼ò»¯ÁËÉè¼Æ¿É¿¿¡¢Á®¼ÛµÄÀëÏßת»»Æ÷Ó뼫µÍµÄÓÉÂö³åÉùÉú³ÉºÍ¹ÌÓеÄÂö³å¿ØÖÆ¡£ÈíÆô¶¯¹¦Äܵ±Ç°ÉèÖõãµÍÓÚ¸ø¶¨ÖµÀýÈçÊä³öµçÁ¦ÐèÇó¼õÉÙ;IC×Ô¶¯½øÈëÍ»·¢Ä£Ì¬ÔÚÇá¸ºÔØÌṩÁ˳öÉ«µÄЧÂÊ¡£µÍ³É±¾£¬¸ßÐÔÄÜ·½°¸¡£

F6183²úÆ·ÌØµã£º
ÓÅÐãµÄÏߺ͸ºÔص÷½Ú
¼«µÍµÄûÓÐ−¸ººÉ±¸ÓõçÔ´
ºãÁ÷ģʽ¿ØÖÆ
Ñ­»·Í¨¹ý¸¨ÖúÑ­»·µçÁ÷ÏÞÖÆ
ºã¹¦ÂÊÏÞÖÆ
¼õÉÙºÍÍ»·¢Ä£Ì¬ÆµÂÊ
½¨Á¢ÔÚͬ²½Ð±ÆÂ²¹³¥
ÄÚ²¿Ç°ÑØÏûÒþ
ÄÚ²¿Êä³ö¶Ì−µç·±£»¤
ÔÚÆµÂʶ¶¶¯
ÎÞÒôƵÔëÉù²Ù×÷
VDD OVP &¼Ð& UVLO
ËùÓÐÏú¸¡¶¯±£»¤
ÄÚ²¿Î¶ȹػú

µäÐÍÓ¦ÓÃͼ




²úÆ·ÖÐÐÄ ¹ØÓÚæê΢ ÁªÏµÎÒÃÇ