оÅó΢PN836XϵÁеçÔ´³äµçÆ÷¡¢ÊÊÅäÆ÷IC
×ֺţºT|T
ÉîÛÚæê΢µç×ÓÊÇоÅó΢ÉîÛÚIC´úÀí£¬Ö÷Òª²úÆ·ÓгäµçÆ÷¡¢ÊÊÅäÆ÷¡¢Ð¡¼Òµç¡¢LEDµÈµçÔ´IC£¬ÏÂÃæÎÒÃÇÖ÷ÒªÀ´Á˽âһϳäµçÆ÷¡¢ÊÊÅäÆ÷ICϵÁеġ£
¸ß¼¯³ÉQR-PSR AC-DCоƬ——PN836XϵÁУ¨8366/8368/8369/8370£©
²úÆ·ÌØµã£º
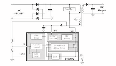
1. PN836XϵÁÐÓÉ׼гÕñ¶àģʽPSR¿ØÖÆÆ÷¼°¸ßѹÖÇÄܹ¦ÂÊMOSFET×é³É£¬×¨ÓÃÓڸ߿ɿ¿¡¢Áù¼¶ÄÜЧ¡¢¼«¼òÍâΧµÄ³äµçÆ÷¡¢ÊÊÅäÆ÷¼°ÄÚÖõçÔ´£¬Êä³ö¹¦ÂÊΪ5~12W£¬SOP7/DIP8·â×°£»
2. ÄÚÖÃÊäÈëµçѹ²¹³¥£¬ÎÞÐè¶îÍ⻷·²¹³¥µçÈÝ£¬¿É±à³ÌÊä³öÏßµçѹ²¹³¥£»È«µçѹ·¶Î§±3%µÄCC/CV¾«¶È£»
3. Æë±¸µÄÖÇÄܱ£»¤¹¦ÄÜ£¬°üÀ¨OTP¡¢OLP¡¢OCP¡¢OVP¡¢UVLO¡¢ËùÓÐÍâΧԪ¼þ¼Ó¹¤µÄ¿ª¶Ì·±£»¤¡¢Êä³ö¿ª¶Ì·±£»¤µÈ£»
ÁùÏîÉè¼Æ×¨ÀûÌØÉ«£º
1. ¼¯³É650~800V¸ßÑ©±ÀµÄÖÇÄܹ¦ÂÊMOSFET£¨×¨Àû£©£¬µçѹ¡¢ÎÂÉýDe-ratingÔ£Á¿³ä×㣻
2. ¼¯³ÉÁ½¼¶¸ßѹÆô¶¯MOSÄ£¿é£¨×¨Àû£©£¬ÅäºÏ¼«µÍ¹¤×÷µçÁ÷£¬Âú×ã´ý»ú¹¦ºÄСÓÚ30mW£»
3. ¼¯³É¸ßѹ±ÈÀýµçÁ÷²ÉÑùMOSµç·£¨×¨Àû£©£¬·ÀÖ¹CS/FBÍâ½ÓÔª¼þ¶Ì·ը»ú£»
4. ²ÉÓÃ×ÔÊÊÓ¦¹Èµ×¿ªÍ¨£¨×¨Àû£©ºÍ¶àģʽPFM+PWM+QR¼¼ÊõÌá¸ßƽ¾ùЧÂÊ£»
5. ²ÉÓÃÖð¼¶ÏÞÆµµç·£¨×¨Àû£©£¬´ó·ù¸ÄÉÆPSR»·Â·¶¯Ì¬ÌØÐÔ£¬EFTÂú×ã5KV£»
6. ²ÉÓöà¶ÎÕ¤Çý¶¯µç·£¨×¨Àû£©£¬ÏÔÖø¸ÄÉÆ¿ª¹Ø¹ý³åÌØÐÔ£¬EMIÔ£Á¿¸ü³äÔ££»
µäÐÍÓ¦ÓÃͼ


Chipown×Ô2015Äê³õÍÆ³ö¸ÃϵÁвúÆ·ÒÔÀ´£¬Òѵõ½´óÅú³äµçÆ÷¡¢ÊÊÅäÆ÷µçÔ´ÐÐÒµ¿Í»§µÄ³ÐÈϺÍÅúÁ¿£¬ÓÈÆäÔÚ12V1A¡¢5V2A¡¢È¥RCDµÄ5V1AµÈ¹æ¸ñÓ¦ÓÃÖУ¬ÒòÆäBOM¼¯³É¶È¸ß¡¢ÈÝÒ×¹ý°²¹æ¡¢¼ò½à¿É¿¿¶øÉîÊÜ»¶Ó¡£ÈçÐèÏêϸÁ˽â¿ÉÒÔ×ÉѯÉîÛÚæê΢µç×Ó£¡
ÉÏһƪ£ºAC-DCÂÌÉ«½ÚÄܵçԴоƬ-AP8366 ÏÂһƪ£ºÉîÛÚIC¹©Ó¦ÉÌ-æê΢µç×Ó
Ïà¹Ø×ÊѶ
- ů¶¬Ö®ÐСª¡ª¹ðÁÖÑôË··ç¹â3ÈÕÐÝÏÐÓΣ¡
- 5V1AÂóäоƬ-SD6953
- Q5ÎÞÏß³äµçÊÖ»úQI±ê×¼µ¥ÏßȦPCBA·½°¸
- LEDÁìÓò¸ôÀëÓë·Ç¸ôÀëÇý¶¯½«²¢´æ
- ¶à¿Ú³äµçÆ÷оƬ ÂóäоƬ-ZXGD3103
- ³µÔسäµçÆ÷·½°¸-MC34063£¨æê΢µç×Ó£©
- µÍ³É±¾AC/DC¿ª¹ØLEDÇý¶¯Ð¾Æ¬-CS6553
- Ê¿À¼Î¢ÍƳöAC/DC 5V/1A³äµçÆ÷½â¾ö·½°¸SD69
- 5V2AµÄ³µ³äIC·½°¸
- ÄÜÌṩÈýÖÖ²»Í¬µçÁ÷µÄ³µ³äIC·½°¸
ͬÀàÎÄÕÂÅÅÐÐ
- оÁú12V/5A DC/DCµÍ³É±¾µçԴоƬ·½°¸-XL150
- TK10A60D³¡Ð§Ó¦¾§Ìå¹ÜMOS¹Ü¿ª¹ØÎÈѹÆ÷µÄÓ¦
- Ò»¿îÊÊÅäÆ÷µÄAC-DCת»»Ð¾Æ¬½éÉÜ-SD4873
- PN8147ÄÚÖÃMOS¹ÜAC-DCµçÔ´ÊÊÅäÆ÷IC·½°¸-о
- UC3842µÄÕ¼¿Õ±Èµ÷½Ú-æê΢µç×Ó
- UC3842µ±ÖÐ2½ÅµÄʹÓÃ-æê΢µç×Ó
- SF6773 650V¹¦ÂʵçÔ´ÊÖ»ú³äµçÆ÷оƬ
- æê΢µç×Ó5Vת12VÉýѹоƬ-XL6019
- NCEÏÖ»õn¹µµÀmos¹ÜNCE6003Y´Å³¡Ó¦¹ÜSOT23-3
- fp6601qµç·ͼ_fp6601q¹æ¸ñÊé_fp6601q
×îÐÂÎÄÕÂ×ÊѶ
- ¹ýÈÏÖ¤¡¢µÍ³É±¾ | 65W-PD-2C1Aµª»¯ïØÉè¼Æ·½
- ¿ªÒµ´ó¼ª | ÉîÛÚÊÐæê΢µç×Ó-Äþ²¨·Ö¹«Ë¾£¡
- ϲºØÐ¾Åó΢ף¾¸²©Ê¿ÈÙ»ñ¡°½ËÕÇàÄêÎåËĽ±ÕÂ
- CR6212_5V/12V¸ßЧÂÊ¡¢µÍ³É±¾µçÔ´·½°¸£¬Íê
- 2024ÄêÕ¹³á·ÉÏè | 2023Äê¶ÈÒµÎñ×ܽύÁ÷´ó
- ÕæÃ¯¼ÑÖúÁ¦µç¶¯Æû³µÁªÃËÆû³µµç×ÓÔªÆ÷¼þ¹¤×÷
- îýÁ¦AP30H80Q vbus¿ª¹ØMOS»ñµÃ°²¿Ë67W 2C1A
- Ê¿À¼Î¢650V¸ßѹ³¬½áSTSϵÁУ¬¹ã·ºÓ¦ÓÃÓÚÏû
- оÅóPN8213»ñƷʤ65Wµª»¯ïسäµçÆ÷²ÉÓ㬿É
- æê΢µç×ӲμÓÉúÃüÓ¦¼±¡°¾È¡±ÔÚÉí±ß£¬¼±¾È¼¼
°¢Àï°Í°ÍµêÆÌ
¹Ø×¢æê΢
ÊÕ²Øæê΢

