³¬¾«¼ò10WÎÞÏß³äµçоƬ·½°¸
×ֺţºT|T
¡¡¡¡ÎÞÏß³äµçоƬ³§ÉÌChipown¸ù¾ÝÊ®¶àÄê¸ßµÍѹ¹¦Âʼ¯³É¾Ñ飬²ÉÓüҵ缰¹¤ÒµÓ¦Óõľµä¼¼Êõ¼Ü¹¹£¬½«µÍѹÐźŴ¦ÀíÓë¸ßѹ¹¦ÂÊ´¦Àí³¹µ×·ÖÀ룬×ÔÖ÷Ñз¢µÄÎÞÏß³äµç¹¦ÂÊоƬPN7724£¨10W£©¡¢PN7726£¨20W£©£¬ÄÚÖÃÇý¶¯µç·¡¢4¿Å¹¦ÂÊ¿ª¹Ø¹ÜºÍLDO£¬Ê¹ÎÞÏß³äµç·½°¸ÍâΧ¾«¼ò¡¢ÎÂÉýµÍ¡¢°²È«¿É¿¿£¬ÏÂÃæ¸úËææê΢µç×ÓÒ»ÆðÁ˽âϳ¬¾«¼ò10WÎÞÏß³äµçоƬ·½°¸¡£

¡¡¡¡
¡¡¡¡PN7724ÎÞÏß³äµçоƬ´îÅäÒ»¿ÅͨÓÃMCU¼´¿ÉʵÏÖ10WÎÞÏß³äµç¹¦ÂÊ·¢É䣬¾ßÓÐÈçÏÂÌØµã£º¡¡¡¡
¡¡¡¡¸ß¼¯³É¶È£º½«È«ÇÅ4¿Å¹¦ÂÊ¿ª¹Ø¹Ü¡¢Çý¶¯µç·¡¢LDO¼¯³ÉÓÚÒ»¿Åµ¥Ð¾Æ¬ÉÏ£¬ÊµÏÖ¹¦ÂÊÄ£¿éÈ«¼¯³É£¡¡¡¡¡
¡¡¡¡¸ßת»»Ð§ÂÊ£ºÊÜÒæÓÚµ¥Ð¾Æ¬¹¦Âʼ¯³É¼¼Êõ£¬ÏÔÖø¼õС¼ÄÉú²ÎÊý£¬½µµÍ¹Ø¶ÏËðºÄ£»ÊÜÒæÓÚ×ÔÊÊÓ¦ËÀÇýµ÷½Ú¼¼Êõ£¬Ð³ÕñµçÁ÷¸ü¶àʱ¼äÁ÷¹ýMOS¹µµÀ£¬¼õСµ¼Í¨ËðºÄ£¡¡¡¡¡
¡¡¡¡SOP8-PP¹¦ÂÊ·â×°£º½ö8¸öÒý½Å£¬Ó¦Óüòµ¥£»¹¦ÂÊ·â×°µ×²¿É¢ÈÈÆ¬¿É´óÃæ»ý·óÍÉ¢ÈÈ£¬ÏÔÖø½µµÍоƬ¼°PTxÎÂÉý£¡¡¡¡¡
¡¡¡¡°²È«¿É¿¿£ºÓë·ÖÁ¢MOS·½°¸²»Í¬£¬²»ÂÛMCUÊä³öÐźÅÊÇ·ñÒì³££¬PN7724ÄÚ²¿¸ßµÍ²àMOSÖ»ÓÐÒ»¸ö¹Ü×Ó´¦ÓÚµ¼Í¨×´Ì¬£¬³¹µ×±ÜÃâֱͨը»ú!
¡¡¡¡
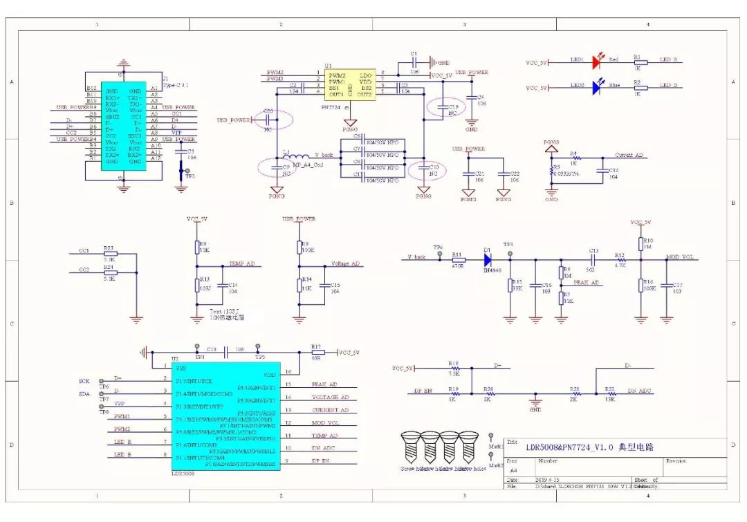
¡¡¡¡ÎÞÏß³äµçоƬ·½°¸ÔÀíͼ£º

¡¡¡¡
¡¡¡¡PN7724ÎÞÏß³äµçоƬ·½°¸ÊµÏÖ¸ßѹ¹¦ÂÊ´¦Àí²¿·Ö×¼òÍâΧ£»LDR5008 SOP16·â×°Ö§³ÖQC¼°QiÐÒ飬¼¯³ÉÊý×Ö½âÂëµç·£¬ÏȽø¹¦ÂÊ¿ØÖƼ¼Êõ(µ÷Ƶ¡¢µ÷Õ¼¿Õ±È)ʵÏÖÐźŴ¦Àí×¼òÍâΧ Ö§³Ö3-9VÊäÈ룬µäÐÍÓ¦ÓÃ5W/7.5W/10WÎÞÏß³äµç·½°¸£¬PN7724ÎÞÏß³äµçоƬ·½°¸ÕûÌåBOMСÓÚ50¿ÅÔªÆ÷¼þ¡£
ÉÏһƪ£º¶þ¿ÚÂÃÐгäµçÆ÷IC·½°¸ ÏÂһƪ£ºAC-DC¿ª¹ØµçÔ´¹ÜÀíоƬ·½°¸
ͬÀàÎÄÕÂÅÅÐÐ
- ³¬¾«¼ò10WÎÞÏß³äµçоƬ·½°¸
- 12vµçÔ´ÊÊÅäÆ÷оƬ·½°¸
- AC-DC¿ª¹ØµçÔ´¹ÜÀíоƬ·½°¸
- USB A+C 5V/2.4A±Úʽ³äµçÆ÷·½°¸
- ËĿڵµ°å³äµçÆ÷µçԴоƬ·½°¸
- ¶þ¿ÚÂÃÐгäµçÆ÷IC·½°¸
- Èý¿ÚÂóäIC·½°¸
- 2USB+2 Type C+2²å×ù³äµç·½°¸
- 20W Gan³äµçÆ÷·½°¸
- 2C+1A 65W GaN³äµçÆ÷/ÊÊÅäÆ÷·½°¸
×îÐÂÎÄÕÂ×ÊѶ
- оÅó΢20ÖÜÄê | ´úÀíÊÜÑû¼û֤оÁ¦Á¿£¬¹²¸°
- ¹ýÈÏÖ¤¡¢µÍ³É±¾ | 65W-PD-2C1Aµª»¯ïØÉè¼Æ·½
- ¿ªÒµ´ó¼ª | ÉîÛÚÊÐæê΢µç×Ó-Äþ²¨·Ö¹«Ë¾£¡
- ϲºØÐ¾Åó΢ף¾¸²©Ê¿ÈÙ»ñ¡°½ËÕÇàÄêÎåËĽ±ÕÂ
- CR6212_5V/12V¸ßЧÂÊ¡¢µÍ³É±¾µçÔ´·½°¸£¬Íê
- 2024ÄêÕ¹³á·ÉÏè | 2023Äê¶ÈÒµÎñ×ܽύÁ÷´ó
- ÕæÃ¯¼ÑÖúÁ¦µç¶¯Æû³µÁªÃËÆû³µµç×ÓÔªÆ÷¼þ¹¤×÷
- îýÁ¦AP30H80Q vbus¿ª¹ØMOS»ñµÃ°²¿Ë67W 2C1A
- Ê¿À¼Î¢650V¸ßѹ³¬½áSTSϵÁУ¬¹ã·ºÓ¦ÓÃÓÚÏû
- оÅóPN8213»ñƷʤ65Wµª»¯ïسäµçÆ÷²ÉÓ㬿É
°¢Àï°Í°ÍµêÆÌ
¹Ø×¢æê΢
ÊÕ²Øæê΢

