GN1650和tm1650数码管有区别吗?
字号:T|T
GN1650和TM1650有区别吗?GN1650是旌芯半导体的,tm1650数码管是天微电子的,两者出自不同的厂家,但GN1650和TM1650都是共阴数码驱动管,内部集成有 MCU输入输出控制数字接口、数据锁存器、LED 驱动、键盘扫描、辉度调节等电路,是键盘扫描并带部分组合按键功能LED驱动控制专用电路。
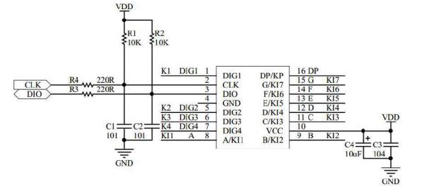
TM1650和GN1650引脚功能

通过上图,我们可以看到tm1650数码管和GN1650引脚排列基本一致的,而引脚功能DIG1、DIG2、DIG3、DIG4 是LED段位驱动输出/键盘扫描输出,CLK/SCL是时钟输入端, DIO/SDA是数据输入/输出端,A/KI1、B/KI2、C/KI3、D/KI4、E/KI5、F/KI6、G/KI7也是LED段驱动输出/按键扫描输入,GND接地,VDD电源端,因此GN1650和TM1650引脚功能都是一样的。
GN1650功能特点
■ 两种显示模式:8段×4位和7段×4位
■ 段驱动电流大于25mA,位驱动电流大于150mA
■ 提供8级亮度控制
■ 键盘扫描:7×4bit内部集成三极管驱动
■ 高速两线式串行接口
■ 内置时钟振荡电路
■ 内置上电复位电路
■ 支持2.8V-5.5V电源电压
■ 提供DIP16及SOP16封装

GN1650和tm1650数码管产品功能和引脚是一样的,在不改版的情况下,可以实现PIN对PIN兼容代换,同时GN1650/TM1650性能稳定、质量可靠、抗干扰能力强,可适用于 24 小时长期连续工作的应用场合,广泛被用于家用电器产品如机顶盒、空调、DVD/VCD等显示的驱动领域。更多GN1650详细功能介绍、电特性、典型应用线路图等资料请向骊微电子申请。>>
同类文章排行
- pn8024可以用pn8034代换吗?
- 电磁炉AP8012电源芯片是否可以viper12a代换
- pd18w快充和20w快充区别?
- 电源管理芯片坏的原因有那些?
- 电源芯片发烫的原因及处理措施!
- 充电器控制芯片是用PSR还是SSR?
- 手机电源ic芯片坏了怎么办?
- 充电时电源ic会发烫是怎么回事?
- 一片晶圆可以生产多少芯片?
- 电源隔离芯片与非隔离电源芯片优缺点分析!
阿里巴巴店铺
关注骊微
收藏骊微

