成都逍遥耍耍网论坛,天津-凤江湖论坛春风阁(全国信息) ,一品香论坛登录入口风楼阁交友平台 ,快活林信息发布论坛汇总

³äµçÆ÷оƬ°¢Àï°Í°ÍµêÆÌ ¿ª¹ØµçԴоƬ¹Ø×¢æê΢ µç»úÇý¶¯Ð¾Æ¬ÊÕ²Øæê΢ »¶Ó­½øÈëµçԴоƬ/Çý¶¯Ð¾Æ¬¡¢MOS¡¢IGBT¡¢¶þÈý¼«¹Ü¡¢ÇŶѵȵç×ÓÔªÆ÷¼þ´úÀíÉÌ--æê΢µç×Ó¹ÙÍø
¸ß¼¶ËÑË÷

ËÑË÷Ò»

ËÑË÷¶þ

³äµç¹ÜÀíIC·½°¸

ÍÆ¼ö²úÆ·

ÁªÏµÎÒÃÇ

¿ª¹ØµçԴоƬ
ÉîÛÚÊÐæê΢µç×ӿƼ¼ÓÐÏÞ¹«Ë¾

µç»°£º0755-23087599

ÊÖ»ú£º13808858392

ÓÊÏ䣺dunianhua@leweitech.com

µØÖ·£ºÉîÛÚÊб¦°²ÇøÎ÷Ïçº×ÖÞºã·á¹¤Òµ³ÇB11¶°5Â¥¶«

prevnext

SP3313 ³µ³äqc½µÑ¹Ð¾Æ¬

ËùÊô·ÖÀࣺÓÅÊÆ²úÆ·
Æ·ÅÆ£ºSegma/˹ÅÁÎÖ
ÐͺţºSP3313
·â×°£ºSOP-8L
¹¦ÂÊ£º7.5V ~ 32V
µçÁ÷£º3.5A
¶©¹ºÈÈÏߣº0755-23087599
¡¡¡¡SP3313³µ³äqc½µÑ¹Ð¾Æ¬ÊÇÒ»¿îÊäÈëµçѹ£¬½µÑ¹×ª»»Æ÷£¬¹¤×÷ÔÚCV(ºã¶¨Êä³öµçѹ)ģʽ»òCCºã¶¨Êä³öµçÁ÷)ģʽ¡£×î´óÊäÈëµçѹ36V£¬¹¤×÷ÊäÈëµçѹ7.5V ~ 32V¡£¡¡¡¡
¡¡¡¡ÄÚÖÃ35mΩ High-Side¼°25mΩ Low-Side MOSFET£¬¿ÉÒÔÌṩ¸ß´ï3.5AµÄÁ¬ÐøÊä³öµçÁ÷£¬Êä³öµçÁ÷¾«È·µ½±7%ÒÔÄÚ£¬¿ÉÖ§³Ö100%Õ¼¿Õ±È£¬ÎÞÐèÍⲿ²¹³¥£¬¿ÉÒÔÒÀ¿¿×ÔÉíÄÚÖÃÎȶ¨»·Â·ÊµÏÖºãÁ÷ÒÔ¼°ºãѹ¿ØÖÆ£¬Í¬Ê±¾ß±¸ÏßÀÂѹ½µ²¹³¥¹¦ÄÜ¡£¡¡¡¡
¡¡¡¡SP3313³µ³ä½µÑ¹Ð¾Æ¬¶ÀÁ¢Êä³öµçѹ±£»¤ÊÊÓÃÓÚBC1.2ºÍQC2.0/3.0˫ͨµÀÊä³öµçѹ£¬ÊÇÒ»¿î¹¦ÄÜÆëÈ«¡¢¸ßÐÔÄÜ¡¢¸ß¿É¿¿ÐԵĽµÑ¹Ê½DC-DC±ä»»Æ÷¡£
¡¡¡¡
¡¡¡¡SP3313³µ³äqc½µÑ¹Ð¾Æ¬Ìص㡡¡¡
¡¡¡¡¡ö ¼«ÏÞ¿ÉÖ§³Ö100%Õ¼¿Õ±È¡¡¡¡
¡¡¡¡¡ö ÄÚÖÃHigh-sideºÍLow-side MOSFET¡¡¡¡
¡¡¡¡¡ö ×î´óÊä³öµçÁ÷£º3.5A¡¡¡¡
¡¡¡¡¡ö ¿Éµ÷Êä³öµçѹ£¬VFB=1.0V¡¡¡¡
¡¡¡¡¡ö ÓÅÒìµÄºãÁ÷¾«¶È£º±7%¡¡¡¡
¡¡¡¡¡ö ºãѹ¾«¶È£º±2%¡¡¡¡
¡¡¡¡¡ö ÄÚÖö¶Æµ¹¦ÄÜ¡¡¡¡
¡¡¡¡¡ö ЧÂÊ£º¸ß´ï 95%¡¡¡¡
¡¡¡¡¡ö ÎÞÐèÍⲿ²¹³¥¡¡¡¡
¡¡¡¡¡ö ¶Ì·±£»¤(SCP)¡¡¡¡
¡¡¡¡¡ö ¹ýѹ±£»¤£¨OVP£©¡¡¡¡
¡¡¡¡¡ö ¹ýÈȱ£»¤£¨OTP£©¡¡¡¡
¡¡¡¡¡ö Ƿѹ±£»¤£¨UVLO£©¡¡¡¡
¡¡¡¡¡ö Ìṩ SOP-8L ·â×°
¡¡¡¡
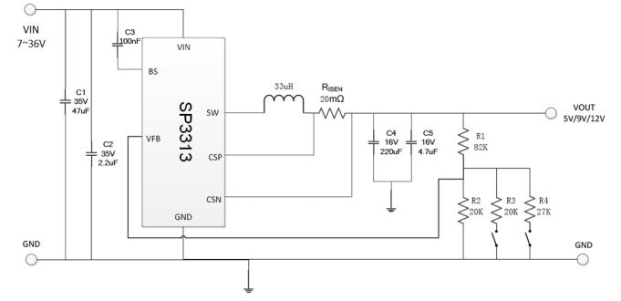
¡¡¡¡µäÐÍÓ¦Óõç·ͼ
¡¡¡¡
¡¡¡¡Ó¦ÓÃÁìÓò¡¡¡¡
¡¡¡¡¡ö ³µÔسäµçÆ÷¡¡¡¡
¡¡¡¡¡ö ±Úʽ³äµçÆ÷¡¡¡¡
¡¡¡¡¡ö µçÔ´°å/¼¯Ï߯÷¡¡¡¡
¡¡¡¡¡ö ±ãЯʽ³äµç×°Öá¡¡¡
¡¡¡¡¡ö Æû³µDVD¡¡¡¡
¡¡¡¡¡ö ºÚºÐ¡¡¡¡
¡¡¡¡¡ö ¹¤ÒµÓ¦Óá¡¡¡
¡¡¡¡¡ö ÆäËû
¡¡¡¡
¡¡¡¡SP3313ÊÇÒ»¿î¸ßÊäÈëµçѹ¡¢Êä³ö¸ß¾«¶ÈºãѹºãÁ÷ÒÔ¼°Ö§³ÖÕ¼¿Õ±ÈµÄDC/DC½µÑ¹Ð¾Æ¬£¬µ±ÓÃÓÚ³µ³ä²úƷʱ£¬²åÈëµãÑÌÆ÷Ç뾡Á¿ÀûÓõçÔ´µÄ¸º¼«µ¯Æ¬À´°ïÖú²úÆ·É¢ÈÈ£¬²¢¿ÉÒÔ¿¼ÂÇÔö¼Óµ¯Æ¬ÓëGNDµÄº¸½ÓÃæ»ý£¬ÕâÑùµ¯Æ¬ÔÚ×÷Ϊ¸º¼«ÊäÈëµÄͬʱ£¬Ò²¿ÉÒÔÊÇϵͳµÄÒ»¸ö¼«ºÃµÄÉ¢ÈÈÆ¬¡£¸ü¶àSP3313 ³µ³äqc½µÑ¹Ð¾Æ¬²úÆ·ÊÖ²áºÍÓ¦ÓÃ×ÊÁÏÇëÏòæê΢µç×ÓÉêÇë¡£>>
²úÆ·ÖÐÐÄ ¹ØÓÚæê΢ ÁªÏµÎÒÃÇ