È«²¿²úÆ··ÖÀà
¼¯³Éµç·IC
- ÓÅÊÆ²úÆ·
- Chipown/оÅó΢
- оÅóµç»úÇý¶¯Ð¾Æ¬
- SLAN/Ê¿À¼Î¢
- CR/Æô³¼Î¢
- FM/¸»ÂúϵÁÐ
- SF/ÈüÍþоƬ
- XL/оÁúϵÁÐ
- LW/æê΢
³¡Ð§Ó¦¹Ü/MOS/IGBT
¶þ¼«¹Ü
Èý¼«¹Ü
ÍÆ¼ö²úÆ·
ÁªÏµÎÒÃÇ
ÉîÛÚÊÐæê΢µç×ӿƼ¼ÓÐÏÞ¹«Ë¾
µç»°£º0755-23087599
ÊÖ»ú£º13808858392
ÓÊÏ䣺dunianhua@leweitech.com
µØÖ·£ºÉîÛÚÊб¦°²ÇøÎ÷Ïçº×ÖÞºã·á¹¤Òµ³ÇB11¶°5Â¥¶«
SDH8322S 12-18V ·Ç¸ôÀë¿Éµ÷Êä³öµçԴоƬ
ËùÊô·ÖÀࣺSLAN/Ê¿À¼Î¢
Æ·ÅÆ£ºÊ¿À¼Î¢
ÐͺţºSDH8322S
·â×°£ºSOP-8
¹¦ÂÊ£º5W
µçÁ÷£º
ÐͺţºSDH8322S
·â×°£ºSOP-8
¹¦ÂÊ£º5W
µçÁ÷£º
¶©¹ºÈÈÏߣº0755-23087599
¡¡¡¡µçԴоƬSDH8322SÊÇÓÃÓÚ¿ª¹ØµçÔ´µÄÄÚÖøßѹMOSFETµÄµçÁ÷ģʽPWM¿ØÖÆÆ÷£¬µäÐÍÓ¦ÓÃÓÚ195-265V£¬ÊÊÅäÆ÷10W£¬¿ª·Åʽ13W£»85-265VÊÊÅäÆ÷5W£¬¿ª·Åʽ8W£¬sdh8322sоƬÄÚÖøßѹÆô¶¯µç·£¬ÔÚÇáÔØÏÂ»á½øÈë´ò¸ôģʽ£¬¾ßÓнµÆµ¡¢ÈíÆô¶¯£¬»¹¼¯³ÉÁËVDDǷѹ±£»¤¡¢VDD¹ýѹ±£»¤¡¢Ç°ÑØÏûÒþ¡¢Íµ³ö¹ýÔØ±£»¤¡¢¹ýÁ÷±£»¤¡¢¹ýα£»¤µÈ¸÷ÖÖÒ쳣״̬µÄ±£»¤¹¦ÄÜ¡£
¡¡¡¡
¡¡¡¡sdh8322sÐ¾Æ¬ÌØµã¡¡¡¡
¡¡¡¡¡ö 12V15V18VÊä³öµçѹÈýµµ¿Éµ÷¡¡¡¡
¡¡¡¡¡ö ¸ßѹÆô¶¯¡¡¡¡
¡¡¡¡¡ö Çá½Ø´ò¸ô¡¡¡¡
¡¡¡¡¡ö ½µÆµ¡¡¡¡
¡¡¡¡¡ö ÈíÆô¶¯¡¡¡¡
¡¡¡¡¡ö VDDǷѹ±£»¤¡¡¡¡
¡¡¡¡¡ö VDD¹ýѹ±£»¤¡¡¡¡
¡¡¡¡¡ö Ç°ÑØÏûÒþ¡¡¡¡
¡¡¡¡¡ö Êä³ö¹ý½Ø±£»¤¡¡¡¡
¡¡¡¡¡ö ¹ýÁ÷±£»¤¡¡¡¡
¡¡¡¡¡ö ¹ýα£»¤
¡¡¡¡
¡¡¡¡µçԴоƬSDH8322s¹Ü½ÅÅÅÁм°Òý½Å


¡¡¡¡
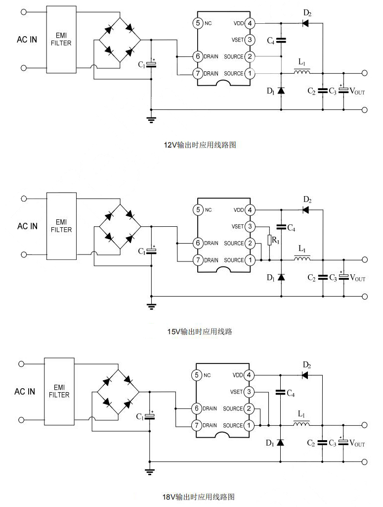
¡¡¡¡sdh8322sÓ¦Óõç·

¡¡¡¡
¡¡¡¡µçԴоƬSDH8322SÓ¦ÓÃÁìÓò¡¡¡¡
¡¡¡¡¡ö ÀëÏßʽ¿ª¹ØµçÔ´¡¡¡¡
¡¡¡¡¡ö ·Ç¸ôÀëÉýѹ½µÑ¹×ª»»Æ÷¡¡¡¡
¡¡¡¡¡ö С¼Òµç
¡¡¡¡
¡¡¡¡SDH8322SÄÚÖøßѹÆô¶¯µç·¡£ÔÚÇá½ØÏÂ»á½øÈë´ò¸ôģʽ£¬´Ó¶øÓÐЧµØ½µµÍϵͳµÄ´ý»ú¹¦ºÄ¡£¾ßÓнµÆµ¹¦ÄÜ£¬½øÒ»²½ÓÅ»¯Çá½ØÌõ¼þϵÄת»»Ð§ÂÊ¡£¾ßÓÐÈíÆô¶¯¹¦ÄÜ£¬Äܹ»³ÏСÆ÷¼þµÄÓ¦Á¦£¬·ÀÖ¹±äѹÆ÷±¥ºÍSDH8322SоƬÄÚ²¿»¹¼¯³ÉÁ˸÷ÖÖÒ쳣״̬µÄ±£»¤¹¦ÄÜ£¬°üÀ¨£ºVDDǷѹ±£»¤£¬VDD¹ýѹ±£»¤£¬Ç°ÑØÏûÒþ£¬Êä³ö¹ý½Ø±£»¤£¬¹ýÁ÷±£»¤£¬¹ýα£»¤µÈ¡£´¥·¢±£»¤ºó£¬µç·»á²»¶Ï×Ô¶¯ÖØÆô£¬Ö±µ½ÏµÍ³Õý³£ÎªÖ¹£¬¸ü¶àsdh8322sоƬ²ÎÊý¼°sdh8322s¹æ¸ñÊéÇëÏòÊ¿À¼Î¢´úÀíæê΢µç×ÓÉêÇë¡£>>
°¢Àï°Í°ÍµêÆÌ
¹Ø×¢æê΢
ÊÕ²Øæê΢










