È«²¿²úÆ··ÖÀà
¼¯³Éµç·IC
- ÓÅÊÆ²úÆ·
- Chipown/оÅó΢
- оÅóµç»úÇý¶¯Ð¾Æ¬
- SLAN/Ê¿À¼Î¢
- CR/Æô³¼Î¢
- FM/¸»ÂúϵÁÐ
- SF/ÈüÍþоƬ
- XL/оÁúϵÁÐ
- LW/æê΢
³¡Ð§Ó¦¹Ü/MOS/IGBT
¶þ¼«¹Ü
Èý¼«¹Ü
ÍÆ¼ö²úÆ·
ÁªÏµÎÒÃÇ
ÉîÛÚÊÐæê΢µç×ӿƼ¼ÓÐÏÞ¹«Ë¾
µç»°£º0755-23087599
ÊÖ»ú£º13808858392
ÓÊÏ䣺dunianhua@leweitech.com
µØÖ·£ºÉîÛÚÊб¦°²ÇøÎ÷Ïçº×ÖÞºã·á¹¤Òµ³ÇB11¶°5Â¥¶«
XPM5218 18W USB PD¶àÐÒ齵ѹоƬ
ËùÊô·ÖÀࣺFM/¸»ÂúϵÁÐ
Æ·ÅÆ£ºFM/¸»Âú
ÐͺţºXPM5218
·â×°£ºESOP8
¹¦ÂÊ£º18W
µçÁ÷£º5V/2.4A¡¢5V/3A¡¢9V/2A¡¢12V/1.5A
ÐͺţºXPM5218
·â×°£ºESOP8
¹¦ÂÊ£º18W
µçÁ÷£º5V/2.4A¡¢5V/3A¡¢9V/2A¡¢12V/1.5A
¶©¹ºÈÈÏߣº0755-23087599
¡¡¡¡XPM5218 USB PD¶àÐÒ齵ѹоƬ²ÉÓà ESOP8 ·â×°£¬ÊÇÒ»¿î¼¯³É¿ª¹Ø¹ÜµÄͬ²½½µÑ¹×ª»»Æ÷£¬Ö§³Ö USB Type-C ºÍ PD µÈ¶àÖÖ¿ìËÙ ³äµçÐÒ飬Ϊ³µÔسäµçÆ÷¡¢¸÷ÖÖ¿ì³äÊÊÅäÆ÷¡¢ÖÇÄÜÅŲåµÈ¹©µçÉ豸ÌṩÍêÕûµÄ½â¾ö·½°¸¡£¡¡¡¡
¡¡¡¡XPM5218 Ö§³Ö¶àÖÖ¿ìËÙ³äµçÐÒ飬°üÀ¨ USB Type-C ºÍ PD ÐÒ飬¸ßͨ QC2.0/3.0£¬»ªÎª FCP/SCP£¬ÈýÐÇ AFC£¬USB BC1.2 DCP ÒÔ¼° Apple 2.4A ³äµç¹æ·¶¡£¡¡¡¡
¡¡¡¡XPM5218 Ö§³Ö¿íÊäÈëµçѹ·¶Î§£¬6.6V ÖÁ 36V¡£Êä³öµçѹ·¶Î§ÊÇ 3.6V ÖÁ 12V£¬²¢ÒÀ¾Ý³äµçÐÒé×ÔÐе÷Õû£¬Ìṩ×î´ó 18W µÄÊä³ö¹¦ÂÊ¡£XPM5218A µÄ PDO ÅäÖÃΪ 5V/3A¡¢9V/2A£¬XPM5218B µÄ PDO ÅäÖÃΪ 5V/3A¡¢9V/2A¡¢12V/1.5A¡£¡¡¡¡
¡¡¡¡XPM5218 ²ÉÓà PWM µçÁ÷Ä£¿ØÖÆ·½Ê½£¬ÄÜ¿ìËÙÏìÓ¦¸ºÔØË²Ì¬±ä»¯¡£XPM5218 µÄ¿ª¹ØÆµÂÊΪ 150KHz£¬ÌØÓеĶ¶Æµ¼¼ÊõÄܹ»¼õС EMI£¬°ïÖú¿Í»§Í¨¹ýÈÏÖ¤¡£¡¡¡¡
¡¡¡¡XPM5218 µÄÊä³ö¾ßÓкãѹºãÁ÷ÌØÐÔ¡£µ±Êä³öµçÁ÷СÓÚÏÞ¶¨ÖµÊ±£¬´¦ÓÚºãѹģʽ£»µ±Êä³öµçÁ÷´ïµ½ÏÞ¶¨ÖµÊ±£¬´¦ÓÚºãÁ÷ģʽ¡£Êä³öµçѹ¾ßÓÐÏß²¹¹¦ÄÜ£¬Ëæ×ÅÊä³öµçÁ÷µÄÔö´ó»áÏàÓ¦Ìá¸ßÊä³öµçѹ£¬ÓÃÒÔ²¹³¥³äµçÏßÀÂÄÚ×èÒýÆðµÄµçѹϽµ¡£¡¡¡¡
¡¡¡¡XPM5218 ¾ß±¸·Ç³£¸ßµÄ¿É¿¿ÐÔ£¬ÊäÈëÄÍѹ¸ßÖÁ 42V£¬ËùÓÐÒý½Å ESD ³¬¹ý 8KV¡£Í¬Ê±¾ßÓжàÖÖ±£»¤¹¦ÄÜ£ºÊäÈë¹ýѹ¡¢Ç·Ñ¹±£»¤£¬Êä³ö¹ýÁ÷¡¢¹ýѹ¡¢Ç·Ñ¹¡¢¶Ì·´òàñ£»¤µÈ¡£
¡¡¡¡
¡¡¡¡xpm5218½µÑ¹ÐÒéÐ¾Æ¬ÌØÐÔ¡¡¡¡
¡¡¡¡¡ö ÊäÈëÄÍѹ 42V¡¡¡¡
¡¡¡¡¡ö Ö§³Ö USB Type -C ÐÒé¡¡¡¡
¡¡¡¡- ÅäÖÃΪ DFP£¨Source£© - ¹ã²¥ 3A µçÁ÷¡¡¡¡
¡¡¡¡¡ö Ö§³Ö USB Power Delivery£¨PD£©3.0 ÐÒé¡¡¡¡
¡¡¡¡- ¼¯³ÉÍêÕû PD3.0 ·Ö²ãͨÐÅÐÒé¡¡¡¡
¡¡¡¡- PDO µçѹ£º5V£¬9V£¨XPM5218A£©¡¡¡¡
¡¡¡¡- PDO µçѹ£º5V£¬9V£¬12V£¨XPM5218B£© ¡¡¡¡
¡¡¡¡¡ö Ö§³Ö Quick Charge 3.0/2.0 ÐÒé¡¡¡¡
¡¡¡¡¡ö Ö§³Ö»ªÎª FCP/SCP ÐÒé¡¡¡¡
¡¡¡¡¡ö Ö§³ÖÈýÐÇ AFC ÐÒé¡¡¡¡
¡¡¡¡¡ö Ö§³Ö USB BC1.2 DCP¡¡¡¡
¡¡¡¡¡ö Ö§³Ö Apple 2.4A ³äµç¹æ·¶¡¡¡¡
¡¡¡¡¡ö ͬ²½¿ª¹Ø½µÑ¹×ª»»Æ÷¡¡¡¡
¡¡¡¡- ÄÚÖù¦ÂÊ MOSFET¡¡¡¡
¡¡¡¡- ÊäÈëµçѹ·¶Î§£º6.6V µ½ 36V¡¡¡¡
¡¡¡¡- Êä³öµçѹ·¶Î§£º3.6V µ½ 12V¡¡¡¡
¡¡¡¡- Êä³öµçÁ÷£º5V/3A£¬9V/2A£¬12V/1.5A¡¡¡¡
¡¡¡¡- Êä³ö 5V/3A ת»»Ð§ÂÊ´óÓÚ 92% - Êä³öµçѹÏß²¹£º100mV/A¡¡¡¡
¡¡¡¡- Êä³ö¾ßÓÐ CV/CC ÌØÐÔ¡¡¡¡
¡¡¡¡- ÄÚÖò¹³¥µç· - ÈíÆô¶¯¹¦ÄÜ¡¡¡¡
¡¡¡¡- ÌØÓж¶Æµ¼¼Êõ¼õС EMI¡¡¡¡
¡¡¡¡¡ö ¶àÖØ±£»¤¡¢¸ß¿É¿¿ÐÔ¡¡¡¡
¡¡¡¡- ÊäÈë¹ýѹ¡¢Ç·Ñ¹±£»¤¡¡¡¡
¡¡¡¡- Êä³ö¹ýѹ¡¢¹ýÁ÷±£»¤¡¡¡¡
¡¡¡¡- ¶Ì·±£»¤¡¡¡¡
¡¡¡¡- ¹ýα£»¤¡¡¡¡
¡¡¡¡- È«Òý½Å ESD 8KV
¡¡¡¡
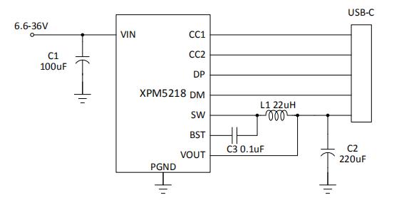
¡¡¡¡Ó¦Óõç·ͼ

¡¡¡¡
¡¡¡¡xpm5218оƬӦÓÃÁìÓò¡¡¡¡
¡¡¡¡¡ö ³µÔسäµçÆ÷¡¡¡¡
¡¡¡¡¡ö ¿ì³äÊÊÅäÆ÷¡¡¡¡
¡¡¡¡¡ö ÖÇÄÜÅŲ塡¡¡
¡¡¡¡¡ö ͨÓøßѹUSB³äµçÆ÷
¡¡¡¡
¡¡¡¡XPM5218 18W USB PD¶àÐÒ齵ѹоƬ£¬XPM5218A PDO ÅäÖÃΪ5V/3A, 9V/2A£»XPM5218B PDO ÅäÖÃΪ5V/3A, 9V/2A, 12V/1.5A£»XPM5218A2 PDO ÅäÖÃΪ5V/2.4A, 9V/2A£»XPM5218B2 PDO ÅäÖÃΪ5V/2.4A, 9V/2A, 12V/1.5A¸ü¶àxpm5218½µÑ¹ÐÒéоƬ²úÆ·ÊֲἰӦÓÃ×ÊÁÏÇëÏòæê΢µç×ÓÉêÇë¡£>>
°¢Àï°Í°ÍµêÆÌ
¹Ø×¢æê΢
ÊÕ²Øæê΢










