È«²¿²úÆ··ÖÀà
¼¯³Éµç·IC
- ÓÅÊÆ²úÆ·
- Chipown/оÅó΢
- оÅóµç»úÇý¶¯Ð¾Æ¬
- SLAN/Ê¿À¼Î¢
- CR/Æô³¼Î¢
- FM/¸»ÂúϵÁÐ
- SF/ÈüÍþоƬ
- XL/оÁúϵÁÐ
- LW/æê΢
³¡Ð§Ó¦¹Ü/MOS/IGBT
¶þ¼«¹Ü
Èý¼«¹Ü
ÍÆ¼ö²úÆ·
ÁªÏµÎÒÃÇ
ÉîÛÚÊÐæê΢µç×ӿƼ¼ÓÐÏÞ¹«Ë¾
µç»°£º0755-23087599
ÊÖ»ú£º13808858392
ÓÊÏ䣺dunianhua@leweitech.com
µØÖ·£ºÉîÛÚÊб¦°²ÇøÎ÷Ïçº×ÖÞºã·á¹¤Òµ³ÇB11¶°5Â¥¶«
XPD730 20W A+C Ë«¿ÚPDÐÒéоƬ
ËùÊô·ÖÀࣺFM/¸»ÂúϵÁÐ
Æ·ÅÆ£ºFM/¸»Âú
ÐͺţºXPD730B¡¢XPD730BP¡¢XPD730BPA
·â×°£ºTSSOP16
¹¦ÂÊ£º5V,9V,12V
µçÁ÷£º2.4A
ÐͺţºXPD730B¡¢XPD730BP¡¢XPD730BPA
·â×°£ºTSSOP16
¹¦ÂÊ£º5V,9V,12V
µçÁ÷£º2.4A
¶©¹ºÈÈÏߣº0755-23087599
¡¡¡¡XPD730оƬϵÁÐÊÇÒ»¿î¼¯³É USB Type-C¡¢USB Power Delivery£¨PD£©2.0/3.0 ÒÔ¼° PPS¡¢QC3.0+/QC3.0/QC2.0 ¿ì³äÐÒé¡¢»ªÎª FCP/SCP/HVSCP ¿ì³äÐÒé¡¢ÈýÐÇ AFC ¿ì³äÐÒé¡¢BC1.2DCP ÒÔ¼°Æ»¹ûÉ豸 2.4A ³äµç¹æ·¶µÄ¶à¹¦ÄÜ USB Type-C ºÍ Type-A Ë«¶Ë¿Ú¿ØÖÆÆ÷¡£¡¡¡¡
¡¡¡¡XPD730Ë«¿ÚPDÐÒéоƬÄÚÖÃµÄ Type-C ÐÒé¿ÉÒÔÖ§³Ö Type-C É豸²åÈë×Ô¶¯»½ÐÑ£¬ÖÇÄÜʶ±ð²åÍ·µÄÕý²åÓë·´²å£¬²¢ÊµÏÖÁ¬½Ó¡£XPD730 ¼¯³ÉµÄ PD ÐÒéÖ§³ÖË«Ïò±ê¼Ç±àÂ루BMC£©£¬¼¯³ÉÓ²¼þµÄÎïÀí²ãÐÒéºÍÐÒéÒýÇæ£¬ÎÞÐèÈí¼þ²ÎÓë±à½âÂë¡£¡¡¡¡
¡¡¡¡µ± Type-C ºÍ Type-A ÆäÖÐÒ»¸ö¶Ë¿Ú½ÓÈëÉ豸ʱ£¬Type-C »ò Type-A ¶Ë¿Ú¶¼¿ÉÒÔʵÏÖ¶ÀÁ¢µÄ¿ì³ä¹¦ÄÜ¡£µ± Type-C ºÍ Type-A ¶¼½ÓÈëÉ豸ʱ£¬XPD730 »á½«Êä³öµçѹ½µÖÁ 5V ¸øÉ豸¹©µç¡£ÌرðµÄ£¬µ± Type-A ¿ÚÒ»Ö±Á¬½ÓÆ»¹û³äµçÏßµ«Î´½ÓÈëÆ»¹ûÊÖ»úʱ£¬Type-C ¿ÚÈÔÈ»Óпì³ä¹¦ÄÜ¡£×÷Ϊ³äµçÆ÷Ó¦ÓÃʱ£¬³äµçÏ߻ᾳ£Óë³äµçÆ÷Á¬½ÓÔÚÒ»Æð¡£XPD730 ÍêÃÀ½â¾öÁË Type-A ºÍ Type-C ¿ÚÁ¬½Ó³äµçÏßÓ¦ÓÃʱµÄ¿ì³äÄÑÌâ¡£´ËÍ⣬Type-A ¿Ú³ä±¥¹Ø¶ÏµçÁ÷ãÐÖµµÍÖÁ 10mA£¬¿ÉÖ§³ÖÖÇÄÜ´©´÷É豸СµçÁ÷³äµç¡£¡¡¡¡
¡¡¡¡XPD730 A¼ÓCË«¿ÚÐÒéʶ±ðоƬͨ¹ýһ·¿É Sink/Source µÄµçÁ÷Ô´£¬Á¬½Óµ½ AC-DC »ò DC-DC µÄ·´À¡Òý½ÅʵÏÖ¶¯Ì¬µ÷½Úµçѹ¡£²»¹ÜÊÇÆô¶¯»¹Êǵ÷ѹ¹ý³Ì£¬¶¼¾ß±¸ÈíÆô¶¯¹¦ÄÜ£¬ÊµÏÖµçѹƽ˳¹ý¶É¡£¡¡¡¡
¡¡¡¡XPD730 Ë«¿ÚPDÐÒéоƬÄÚ½¨¶àÖÖ±£»¤»úÖÆÈ·±£É豸°²È«£º°üÀ¨¶¯Ì¬¹ýѹ/Ƿѹ/¹ýÁ÷±£»¤£¨¿É¸ù¾ÝÉ豸ÇëÇóµÄ¹¤×÷µçѹ/µçÁ÷°´ÕÕ±ÈÀýµ÷Õû±£»¤µã£©£»Æô¶¯¼à²â£¨VBUS Êä³öǰ»á¼à²â¶Ë¿ÚµçѹÊÇ·ñ´¦ÓÚ°²È«×´Ì¬£©¡£¡¡¡¡
¡¡¡¡XPD730 ¼¯³É 10mΩ VBUS ¹¦ÂÊ¿ª¹Ø¹Ü£¬¼¯³É 10 mΩµçÁ÷¼ì²âµç×裬ÄÚÖà VPWR ºÍ VBUSË«·Åµçͨ·£¬½ÚÊ¡ÁËÍâΧÆ÷¼þ£¬·¢Éú´íÎóʱ¿ÉÒÔ¿ìËٹرÕÊä³ö²¢»Ö¸´µ½°²È«×´Ì¬¡£
¡¡¡¡
¡¡¡¡XPD730Ð¾Æ¬ÌØÐÔ¡¡¡¡
¡¡¡¡¡ö ͨ¹ý USB PD3.0 ÈÏÖ¤£¨TID£º3479£©¡¡¡¡
¡¡¡¡¡ö Ö§³Ö USB Type -C ÐÒé¡¡¡¡
¡¡¡¡- ÅäÖÃΪ DFP£¨Source£©¡¡¡¡
¡¡¡¡- ¹ã²¥ 3A/1.5A µçÁ÷¡¡¡¡
¡¡¡¡¡ö Ö§³Ö USB Power Delivery£¨PD£©2.0 ºÍ 3.0ÒÔ¼° PPS ÐÒé¡¡¡¡
¡¡¡¡- ¼¯³ÉÍêÕû PD ·Ö²ãͨÐÅÐÒé¡¡¡¡
¡¡¡¡- PDO ¿ÉÅäÖãº5V£¬9V£¬12V¡¡¡¡
¡¡¡¡- APDO ¿ÉÅäÖãº5V Prog£¬9V Prog¡¡¡¡
¡¡¡¡¡ö Ö§³Ö Quick Charge 3.0+/3.0/2.0 ÐÒé¡¡¡¡
¡¡¡¡- Ö§³ÖСÃ× CHARGE TURBO 27W ÐÒé¡¡¡¡
¡¡¡¡¡ö Ö§³Ö»ªÎª FCP/SCP/HVSCP ÐÒé¡¡¡¡
¡¡¡¡¡ö Ö§³ÖÈýÐÇ AFC ÐÒé¡¡¡¡
¡¡¡¡¡ö Ö§³Ö USB BC1.2 DCP¡¡¡¡
¡¡¡¡¡ö Ö§³Ö Apple 2.4A ³äµç¹æ·¶¡¡¡¡
¡¡¡¡¡ö ¼¯³Éºãѹ£¨CV£©»·Â·¿ØÖÆ¡¡¡¡
¡¡¡¡¡ö ¼¯³É 10mΩ VBUS ͨ·¹¦ÂÊ¿ª¹Ø¹Ü¡¡¡¡
¡¡¡¡¡ö Ö§³Ö Apple 2.4A ³äµç¹æ·¶¡¡¡¡
¡¡¡¡¡ö ¼¯³É CC¡¢CV ¿ØÖÆ»·Â·¡¡¡¡
¡¡¡¡¡ö ¼¯³É 10mΩµçÁ÷¼ì²âµç×è¡¡¡¡
¡¡¡¡¡ö ÄÚÖà VPWR ºÍ VBUS Ë«·Åµçͨ·¡¡¡¡
¡¡¡¡¡ö Ö§³ÖÏßËð²¹³¥¹¦ÄÜ¡¡¡¡
¡¡¡¡¡ö Ö§³Ö USB Type-A ºÍ Type-C Ë«¿Ú¹¤×÷ģʽ¡¡¡¡
¡¡¡¡- ¶ÀÁ¢¹¤×÷¶¼Óпì³ä£¬Í¬Ê±¹¤×÷»Ø 5V¡¡¡¡
¡¡¡¡- A ¿ÚÁ¬½ÓÆ»¹û³äµçÏßµ«Î´½ÓÈëÆ»¹ûÊÖ»úʱ£¬C ¿ÚÈÔÈ»Óпì³ä¡¡¡¡
¡¡¡¡¡ö A ¿Ú³ä±¥¹Ø¶ÏµçÁ÷ãÐÖµ 10mA£¬Ð¡µçÁ÷³äµç¡¡¡¡
¡¡¡¡¡ö °²È«ÐÔ¡¡¡¡
¡¡¡¡- ¹ýѹ/Ƿѹ±£»¤¡¡¡¡
¡¡¡¡- ¹ýÁ÷±£»¤¡¡¡¡
¡¡¡¡- ¹ýα£»¤¡¡¡¡
¡¡¡¡¡ö CC1/CC2/DP1/DM1/DP2/DM2 ¹ýѹ±£»¤¡¡¡¡
¡¡¡¡¡ö ESD ÌØÐÔ± 4KV¡¡¡¡
¡¡¡¡¡ö Package: TSSOP-16
¡¡¡¡
¡¡¡¡xpd730оƬÒý½Å¶¨Òå

¡¡¡¡
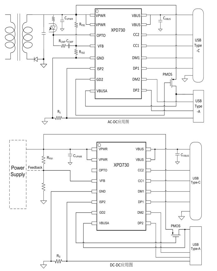
¡¡¡¡xpd730Ó¦Óõç·ͼ

¡¡¡¡
¡¡¡¡¶©¹ºÐÅÏ¢
| ÁϺŠ| USB Type-C ¶Ë¿Ú PDO ºÍ APDO ÅäÖà | QCÅäÖà | Ó¡×Ö | ·â×° |
| XPD730B | PDO : 5V/3A, 9V/2.22A, 12V/1.67A | ClassA |
XPD730 XXXXX |
TSSOP16
3K/ÅÌ |
|
XPD730BP
|
PDO : 5V/3A, 9V/2.22A, 12V/1.67A APDO1 : 3.3-5.9V/3A APDO2 : 3.3-11V/1.8A |
ClassA
|
||
|
XPD730BPA
|
PD0:5V/3A,9V/2.22A,12V/1.67A APD01:3.3-5.9V/3A APD02:3.3-11V2A |
ClassA
|
¡¡¡¡
¡¡¡¡Ó¦ÓÃÁìÓò¡¡¡¡
¡¡¡¡¡ö AC-DC ÊÊÅäÆ÷¡¡¡¡
¡¡¡¡¡ö USB ³äµçÉ豸
¡¡¡¡
¡¡¡¡¸»ÂúXPD730оƬϵÁÐXPD730B¡¢XPD730BP¡¢XPD730BPA²ÉÓà TSSOP16 ·â×°£¬ÍâΧ¼ò½à£¬ºÜÈÝÒ×ͨ¹ý USB PD ÈÏÖ¤²âÊÔ£¬ÊÇUSB Type-C PD ºÍ Type-A Ë«¶Ë¿Ú¿ØÖÆÆ÷£¬¹ã·ºÓ¦ÓÃÓÚ AC-DC ÊÊÅäÆ÷¡¢USB ³äµçÉ豸µÈÁìÓò£¬¸ü¶àXPD730оƬ²úÆ·ÊֲᡢӦÓõç·¡¢xpd730ϵÁйæ¸ñÊéµÈÓ¦ÓÃ×ÊÁÏÇëÏòæê΢µç×ÓÉêÇë¡£>>
°¢Àï°Í°ÍµêÆÌ
¹Ø×¢æê΢
ÊÕ²Øæê΢










