成都逍遥耍耍网论坛,天津-凤江湖论坛春风阁(全国信息) ,一品香论坛登录入口风楼阁交友平台 ,快活林信息发布论坛汇总

³äµçÆ÷оƬ°¢Àï°Í°ÍµêÆÌ ¿ª¹ØµçԴоƬ¹Ø×¢æê΢ µç»úÇý¶¯Ð¾Æ¬ÊÕ²Øæê΢ »¶Ó­½øÈëµçԴоƬ/Çý¶¯Ð¾Æ¬¡¢MOS¡¢IGBT¡¢¶þÈý¼«¹Ü¡¢ÇŶѵȵç×ÓÔªÆ÷¼þ´úÀíÉÌ--æê΢µç×Ó¹ÙÍø
¸ß¼¶ËÑË÷

ËÑË÷Ò»

ËÑË÷¶þ

³äµç¹ÜÀíIC·½°¸

ÍÆ¼ö²úÆ·

ÁªÏµÎÒÃÇ

¿ª¹ØµçԴоƬ
ÉîÛÚÊÐæê΢µç×ӿƼ¼ÓÐÏÞ¹«Ë¾

µç»°£º0755-23087599

ÊÖ»ú£º13808858392

ÓÊÏ䣺dunianhua@leweitech.com

µØÖ·£ºÉîÛÚÊб¦°²ÇøÎ÷Ïçº×ÖÞºã·á¹¤Òµ³ÇB11¶°5Â¥¶«

prevnext

ID7T0610AD 60VÈýÏàÖ±Á÷ÎÞË¢Çý¶¯Ð¾Æ¬´øLDO

Æ·ÅÆ£ºÐ¾Åó΢/°²Ç÷
ÐͺţºID7T0610AD
·â×°£ºQSOP24
¹¦ÂÊ£º60V
µçÁ÷£º1A/1A
¶©¹ºÈÈÏߣº0755-23087599
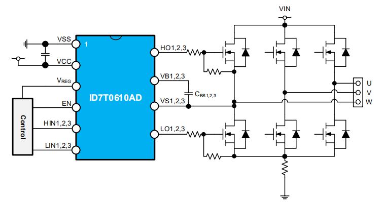
¡¡¡¡ID7T0610ADÊÇÒ»¿îÕë¶ÔÈýÏàÎÞË¢Ö±Á÷µç»úÇý¶¯Ó¦ÓöøÉè¼ÆµÄµÍѹդ¼«Çý¶¯Ð¾Æ¬¡£ID7T0610ADÈýÏàÖ±Á÷ÎÞË¢Çý¶¯Ð¾Æ¬ËüÄܹ»Çý¶¯ÓÉ6¸öN¹µµÀMOSFET×é³ÉµÄÈýÏàÈ«ÇÅÍØÆË¡£Ëü¼¯³ÉÁËÒ»¸ö5VµÄLDO£¬¿ÉΪ΢¿ØÖÆÆ÷»òÆäËûµç·ÌṩµçÔ´¡£ÄÚ²¿±£»¤¹¦ÄܰüÀ¨ËÀÇøÊ±¼ä¹ý³åÔ¤·ÀºÍÇ·Ñ¹Ëø¶¨¡£
¡¡¡¡
¡¡¡¡ID7T0610ADÈýÏàÖ±Á÷ÎÞË¢Çý¶¯Ð¾Æ¬ÌØÐÔ¡¡¡¡
¡¡¡¡¡ö ¸ßѹ·¶Î§´ï60V¡¡¡¡
¡¡¡¡¡ö ¸ß²à»÷´©µçѹ´óÓÚ80V¡¡¡¡
¡¡¡¡¡ö Vccµçѹ·¶Î§Îª7V-15V¡¡¡¡
¡¡¡¡¡ö 5V LDOÊä³ö¡¡¡¡
¡¡¡¡¡ö Ƿѹ±£»¤¹¦ÄÜ(UVLO)¡¡¡¡
¡¡¡¡¡ö ÄÚÖÃ180nsËÀÇøÊ±¼äÀ´·ÀÖ¹¹²Ì¬µ¼Í¨¡¡¡¡
¡¡¡¡¡ö ÄÚÖÃ×Ô¾Ù¶þ¼«¹Ü¡¡¡¡
¡¡¡¡¡ö Êä³öÀ­¹àµçÁ÷ÄÜÁ¦1A/1A
¡¡¡¡
¡¡¡¡·â×°¶©¹ºÐÅÏ¢
¡¡¡¡
¡¡¡¡ID7T0610AD´øldoÇý¶¯icµäÐÍÓ¦Óõç·ͼ
¡¡¡¡
¡¡¡¡Ó¦ÓÃÁìÓò¡¡¡¡
¡¡¡¡¡ö µç¶¯¹¤¾ß¡¡¡¡
¡¡¡¡¡ö µÍѹˮ±Ã¡¡¡¡
¡¡¡¡¡ö µÍѹ·ç»ú¡¡¡¡
¡¡¡¡¡ö ÈýÏàÎÞË¢Ö±Á÷µç»úºÍÓÀ´Åͬ²½µç»ú
¡¡¡¡
¡¡¡¡ID7T0610AD ÈýÏàÖ±Á÷ÎÞË¢Çý¶¯Ð¾Æ¬ÊǾßÓÐLDOµÄÈýÏàÕ¤¼«Çý¶¯Ð¾Æ¬£¬ÊäÈ빦Âʵçѹ¸ß´ï 60V£¬7-15V ¿í·¶Î§¹¤×÷µçѹ·¶Î§£¬1A/1A À­¹àµçÁ÷ÄÜÁ¦¡£µäÐÍÓ¦ÓÃÓڵ綯¹¤¾ß¡¢µç¶¯³µ¡¢µÍѹ·ç»úºÍ±ÃµÈÁìÓò£¬¸ü¶àID7T0610ADÎÞË¢µç»úÇý¶¯Ð¾Æ¬60v²úÆ·Êֲᡢµçѧ²ÎÊýµÈ×ÊÁÏÇëÏòæê΢µç×ÓÉêÇë¡£>>
²úÆ·ÖÐÐÄ ¹ØÓÚæê΢ ÁªÏµÎÒÃÇ