È«²¿²úÆ··ÖÀà
¼¯³Éµç·IC
- ÓÅÊÆ²úÆ·
- Chipown/оÅó΢
- оÅóµç»úÇý¶¯Ð¾Æ¬
- SLAN/Ê¿À¼Î¢
- CR/Æô³¼Î¢
- FM/¸»ÂúϵÁÐ
- SF/ÈüÍþоƬ
- XL/оÁúϵÁÐ
- LW/æê΢
³¡Ð§Ó¦¹Ü/MOS/IGBT
¶þ¼«¹Ü
Èý¼«¹Ü
ÍÆ¼ö²úÆ·
ÁªÏµÎÒÃÇ
ÉîÛÚÊÐæê΢µç×ӿƼ¼ÓÐÏÞ¹«Ë¾
µç»°£º0755-23087599
ÊÖ»ú£º13808858392
ÓÊÏ䣺dunianhua@leweitech.com
µØÖ·£ºÉîÛÚÊб¦°²ÇøÎ÷Ïçº×ÖÞºã·á¹¤Òµ³ÇB11¶°5Â¥¶«
ID7S0230 18V °ëÇÅ×Ô¾ÙÇý¶¯Ð¾Æ¬
ËùÊô·ÖÀࣺоÅóµç»úÇý¶¯Ð¾Æ¬
Æ·ÅÆ£ºÐ¾Åó΢/°²Ç÷
ÐͺţºID7S0230DEC-R1
·â×°£º DFN3X 3-8L
¹¦ÂÊ£º18V
µçÁ÷£º3.5/3.0 A
ÐͺţºID7S0230DEC-R1
·â×°£º DFN3X 3-8L
¹¦ÂÊ£º18V
µçÁ÷£º3.5/3.0 A
¶©¹ºÈÈÏߣº0755-23087599
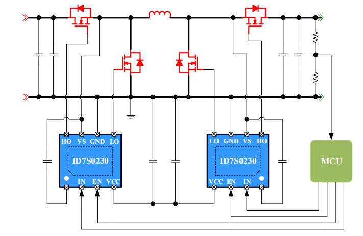
¡¡¡¡ID7S0230°ëÇÅ×Ô¾ÙÇý¶¯Ð¾Æ¬ÊÇÒ»¿îµ¥Ïà¸ßѹ¹¦ÂʵÄMOSFETºÍIGBTÕ¤¼«Çý¶¯Æ÷£¬Æä±»ÓÅ»¯ÓÃÓÚÇý¶¯¸ß²àºÍµÍ²à¹¦Âʾ§Ìå¹Ü¡£Æä¸¡µØÍ¨µÀÇý¶¯Éè¼ÆÄÜÊÊÓ¦¸ß´ï18VµÄBUSµçѹ¡£ÓÉÓÚ¹¤×÷µçѹ·¶Î§¿í£¬¸ßµÍ²àÕ¤Çý¶¯µçѹ¿ÉÒÔ±»ÓÅ»¯³É×î¼ÑЧÂÊ¡£ÄÚ²¿×ÔÊÊÓ¦ËÀÇøµç·¿ÉÓÐЧ·ÀÖ¹¹¦Âʹܹ²Ì¬µ¼Í¨²¢½øÒ»²½½µµÍÁË¿ª¹ØËðºÄ¡£¿Éͨ¹ý¿ØÖÆÊ¹ÄÜÒý½Å(EN)ΪµÍµçƽÀ´¹Ø¶ÏÇý¶¯Æ÷µÄÊä³ö¡£
¡¡¡¡
¡¡¡¡ID7S0230°ëÇÅ×Ô¾ÙÇý¶¯Ð¾Æ¬ÌØÐÔ¡¡¡¡
¡¡¡¡¡ö ¸ß²à¸¡¶¯Æ«ÒƵçѹ18V¡¡¡¡
¡¡¡¡¡ö ½Ï¿íµÄ¹¤×÷µçѹ·¶Î§¡¡¡¡
¡¡¡¡¡ö ÊäÈëÂß¼¼æÈÝ3.3VºÍ5V¡¡¡¡
¡¡¡¡¡ö һ·PWMÐźſØÖÆÁ½Â·Êä³ö¡¡¡¡
¡¡¡¡¡ö ×ÔÊÊÓ¦ËÀÇø·Àֱͨµç·¡¡¡¡
¡¡¡¡¡ö ʹÄܹ¦ÄÜÒý½Å¡¡¡¡
¡¡¡¡¡ö HOÊä³öÓëNͬÏ࣬LOÊä³öÓëIN·´Ïà¡¡¡¡
¡¡¡¡¡ö ËùÓÐͨµÀÑÓʱƥÅ书ÄÜ
¡¡¡¡
¡¡¡¡·â×°/¶©¹ºÐÅÏ¢

¡¡¡¡
¡¡¡¡µäÐ͵ç·ͼ

¡¡¡¡
¡¡¡¡Ó¦ÓÃÁìÓò¡¡¡¡
¡¡¡¡¡ö µç×ÓÑÌ¡¡¡¡
¡¡¡¡¡ö ÎÞÏß³äµçÆ÷¡¡¡¡
¡¡¡¡¡ö DCDC±ä»»Æ÷
¡¡¡¡
¡¡¡¡ID7S0230D°ëÇÅ×Ô¾ÙÇý¶¯Ð¾Æ¬²ÉÓÃDFN8-3x3·â×°£¬ÊÇ18 V µ¥Ï࣬IN/EN£¬¼¯³É×Ô¾Ù¶þ¼«¹Ü£¬ÊäÈ빦Âʵçѹ¸ß´ï36V£¬4.8-15V ¿í·¶Î§¹¤×÷µçѹ·¶Î§£¬Çý¶¯ÄÜÁ¦IO+/IO-£º3.5/3.0 A£¬µäÐÍÓ¦ÓÃÓÚµç×ÓÑÌ¡¢ÎÞÏß³äµçÁìÓò£¬¿É¼æÈÝÌæ´úON/°²ÉÃÀNCP81155¡£
°¢Àï°Í°ÍµêÆÌ
¹Ø×¢æê΢
ÊÕ²Øæê΢










