µ±Ç°Î»Ö㺠µçÔ´ic > ·½°¸°¸Àý > ³äµçÆ÷/ÊÊÅäÆ÷·½°¸ > 5v¿ª¹ØµçԴоƬPN8370M+PN8306M 5V2AÁù¼¶ÄÜЧ³äµçic·½°¸
5v¿ª¹ØµçԴоƬPN8370M+PN8306M 5V2AÁù¼¶ÄÜЧ³äµçic·½°¸
×ֺţºT|T
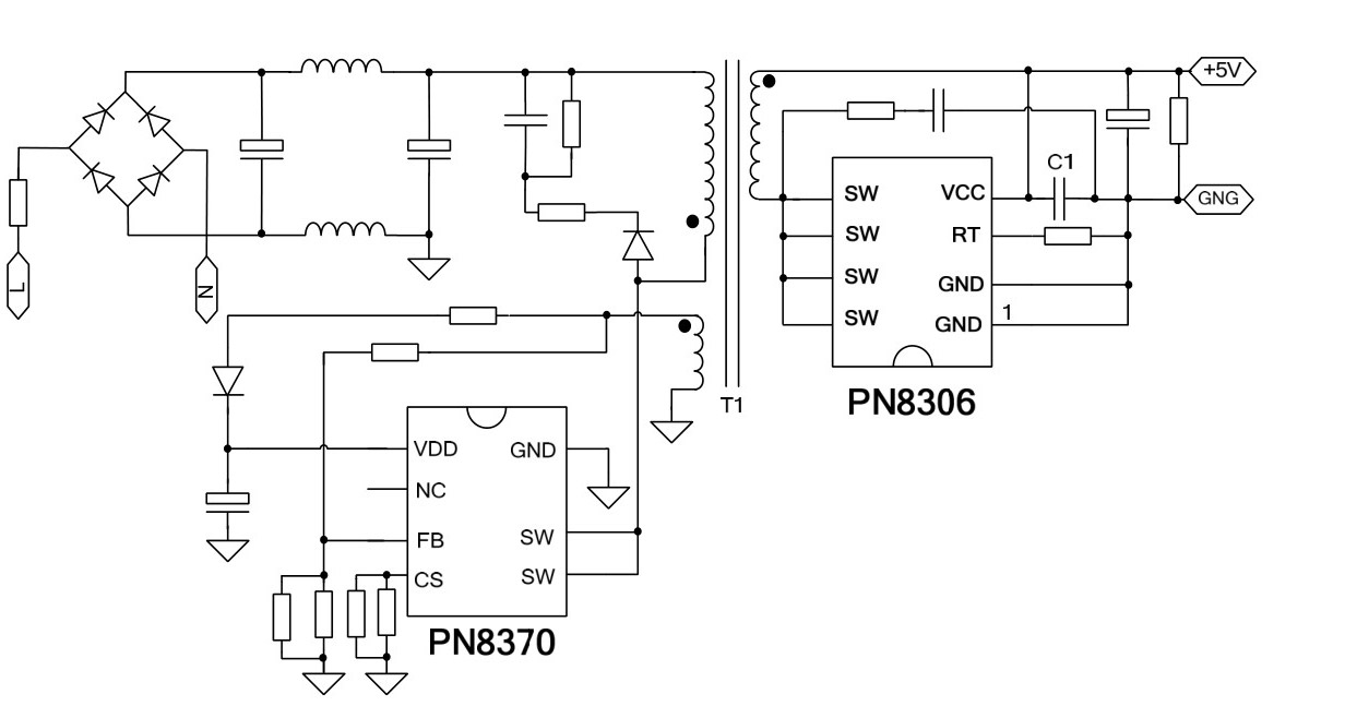
¡¡¡¡5v¿ª¹ØµçԴоƬPN8370M+PN8306M 5v2a Áù¼¶ÄÜЧIC·½°¸£¬ÓµÓÐÍâΧ¼«¼ò¡¢¸ß¿É¿¿ÐÔ¡¢³¬µÍ´ý»ú¡¢¸ßЧÂʵÈÓŵ㣬±¸Êܹ¤³ÌʦÃÇÇàíù¡£¡¡¡¡
¡¡¡¡PN8370M¼¯³É³¬µÍ´ý»ú¹¦ºÄ׼гÕñԱ߿ØÖÆÆ÷¼°¸ßÑ©±ÀÄÜÁ¦ÖÇÄܹ¦ÂÊMOSFET£¬ÓÃÓÚ¸ßÐÔÄÜ¡¢ÍâΧԪÆ÷¼þ¾«¼òµÄ³äµçÆ÷¡¢ÊÊÅäÆ÷ºÍÄÚÖõçÔ´¡£¡¡¡¡
¡¡¡¡PN8306M¼¯³Éͬ²½ÕûÁ÷¿ØÖÆÆ÷¼°¸ßÑ©±ÀÄÜÁ¦MOSFET£¬ÓÃÓÚÔÚ¸ßÐÔÄÜAC/DC·´¼¤ÏµÍ³ÖÐÌæ´ú´Î¼¶ÕûÁ÷Ð¤ÌØ»ù¶þ¼«¹Ü£¬ÌáÉýת»»Ð§ÂÊ£¬Ê¹µÃϵͳЧÂÊ¿ÉÒÔÂú×ã6¼¶ÄÜЧ±ê×¼£¬²¢ÁôÓÐ×ã¹»Ô£Á¿¡£

¡¡¡¡
¡¡¡¡PN8370M+PN8306M5V2A¿ª¹ØµçÔ´IC·½°¸ÁÁµã£º¡¡¡¡
¡¡¡¡ÍâΧ¼ò½à£¨½ÚÊ¡8¿ÅÔª¼þ£©:5v¿ª¹ØµçԴоƬPN8370M½ÚÊ¡2¿ÅÆô¶¯µç×裻PN8306M¶ÀÌØ¿ØÖƼ¼Êõ¿ÉʵÏÖÁãÍâΧ¹¤×÷£¬½ÚÊ¡´«Í³SR·½°¸µÄ¹©µçRCÂ˲¨£¬SWÕì²âµç×裬RTµç×裬RCÎüÊÕµÈ6¿ÅÔª¼þ¡£¡¡¡¡
¡¡¡¡¸ß¿É¿¿ÐÔ£ºa.·½°¸ÈýµÀ·ÀÏߣ¬ÊµÏÖSRÓëPSRÁãֱͨ·çÏÕ£»b.оƬHBM ESD´óÓÚ4kV£¬latchupµçÁ÷´óÓÚ400mA£¬ÏÔÖøÌá¸ßϵͳ°²¹æÄÜÁ¦£¬½Ó´¥¾²µç¸ß´ï15kV£»c.PSRÓëSRÆ¥Å乤×÷£¬³¹µ×±ÜÃâÐ¡ÔØ²ÉÑù³åÍ»£¬Òì³£¹¤¿öÏ£¬SR×öºÃÅä½Ç£¬PSRÖ÷µ¼ËùÓÐÒì³£±£»¤¡£¡¡¡¡
¡¡¡¡µÍ´ý»ú¹¦ºÄ:PN8370MÄÚÖøßѹÆô¶¯£¬¿ÉÇáËÉʵÏÖ50mW´ý»ú¹¦ºÄ¡£
¡¡¡¡
¡¡¡¡PN8370M+PN8306MÓ¦ÓÃQ&A £º¡¡¡¡
¡¡¡¡Q1: PN8306MÊÇ·ñÐèÒªÍâ²¢¶þ¼«¹ÜÌá¸ßÎȶ¨ÐÔ£¿¡¡¡¡
¡¡¡¡A1: PN8306M²úÆ·¶¨Î»ÊÇ×öºÃPSRµÄÅä½Ç£¬ÎÞÐèÍâ²¢¶þ¼«¹Ü¡¡¡¡
¡¡¡¡a. PN8306MµÄ¹©µçǷѹ±£»¤µã(2.8V)µÍÓÚPN8370MµÄÊä³öǷѹ±£»¤µã(3.1V)£¬Òì³£¹¤¿öÏ£¬PN8370Ö÷µ¼·½°¸ËùÓб£»¤¡£¡¡¡¡
¡¡¡¡b. PN8306MÄÚ²¿×ÔÊÊÓ¦Ton,min£¬SR¹Ø¶ÏµãÖͺóÓÚPN8370MµÄԱ߲ÉÑùµã£¬³¹µ×±ÜÃâÐ¡ÔØ²»Îȶ¨ÎÊÌâ¡£
¡¡¡¡
¡¡¡¡Q2: PN8306MÈçºÎÌá¸ß·½°¸µÄ°²¹æÄÜÁ¦£¿¡¡¡¡
¡¡¡¡A2:µÃÒæÓÚÒÔ϶ÀÌØÉè¼Æ£¬VCC½ÅÍâ¹Ò0.1uFÈ¥ñîµçÈÝ£¬ÏµÍ³¾²µçÄÜÁ¦¿ÉÌá¸ßÖÁ½Ó´¥15kV¡¡¡¡
¡¡¡¡a. PN8306MÄÚ²¿¼¯³É¸ßÑ©±ÀÄÜÁ¦MOSFET¡£¡¡¡¡
¡¡¡¡b. HBM ESD´óÓÚ4kV£¬LatchupµçÁ÷´óÓÚ400mA£¬ÏÔÖøÌá¸ßоƬ¿¹Òì³£µçѹ/µçÁ÷³å»÷ÄÜÁ¦¡£
¡¡¡¡
¡¡¡¡Q3: ·½°¸ÈçºÎ±ÜÃâPSRÓëSRֱͨÎÊÌ⣿¡¡¡¡
¡¡¡¡A3: PN8370M+PN8306MÒÔÈýµÀ·ÀÏß³¹µ×½â¾öֱͨÎÊÌâ¡¡¡¡
¡¡¡¡µÚÒ»µÀ£ºPN8306M»ùÓÚÃæ»ý·¨µÄ·ÀÕñÁåÎó¿ªÍ¨Ëã·¨¿ÉÓÐЧ±ÜÃâSR±»ÕñÁå¸ÉÈÅÎó¿ªÍ¨¡£¡¡¡¡
¡¡¡¡µÚ¶þµÀ£ºPN8370M²ÉÓÃרÀûÌø¹Èµ×¿ªÍ¨Ëã·¨£¬PSR¿ªÍ¨µãÓëSRÕñÁå¿ÉÄÜÎó¿ªÍ¨µãÏàλÉÏ´í¿ª180¶È£¬ÓÐЧ±ÜÃâֱͨ¡£¡¡¡¡
¡¡¡¡µÚÈýµÀ£º PN8370MÄÚ²¿µÄÖÇÄÜMOSFETÉϺ¬ÓеçÁ÷²ÉÑù¹Ü£¬¼´Ê¹Ö±Í¨Ò²¿É¿ìËÙ¾«×¼±£»¤£¬±ÜÃâµçÔ´Ë𻵡£
Ïà¹Ø×ÊѶ
- »ùÓÚPN8162+PN8307H¸ßÐÔÄÜ20W PD³äµçÆ÷·½°¸
- CR5218SC_5V1AÊÊÅäÆ÷·½°¸
- 5v2aµçÔ´ÊÊÅäÆ÷оƬ/³äµçÆ÷ic·½°¸
- CR5244 5V2.4AС¹¦ÂʳäµçÆ÷¡¢ÊÊÅäÆ÷·½°¸
- CR5259_12V2A 24WÊÊÅäÆ÷µçԴоƬ·½°¸
- »ùÓÚPN8390+PN8308M¸ßÐÔÄÜ12V2AÊÊÅäÆ÷µçÔ´
- 5V2.4A Áù¼¶ÄÜЧ³äµçÆ÷Ìׯ¬·½°¸
- PN8370M+PN8305LСÌå»ý¿ª¹ØµçÔ´5v2a·½°¸
- СÌå»ý65W´ó¹¦ÂÊ¿ª¹ØµçԴоƬÊÊÅäÆ÷·½°¸
- 7¸ö´ó·ù¾«¼òÍâΧµÄac-dcµçÔ´¹ÜÀíоƬ·½°¸
ͬÀàÎÄÕÂÅÅÐÐ
- CR5218SC_5V1AÊÊÅäÆ÷·½°¸
- µÂÆÕ΢DP2525BԱ߷´À¡µçԴоƬºãѹºãÁ÷5W
- 7¸ö´ó·ù¾«¼òÍâΧµÄac-dcµçÔ´¹ÜÀíоƬ·½°¸
- 5v¿ª¹ØµçԴоƬPN8370M+PN8306M 5V2AÁù¼¶ÄÜ
- CR1252+CR3012_12V20A¿ª¹ØµçÔ´·½°¸
- »ùÓÚPN8390+PN8308M¸ßÐÔÄÜ12V2AÊÊÅäÆ÷µçÔ´
- PN8000ÎÞµç¸Ð¸ºÑ¹Êä³öAC-DC·Ç¸ôÀ볬¾«¼ò·½
- PN8370_2.4AÊÖ»ú³äµçÆ÷µçԴоƬ·½°¸
- 12V3.0Aͬ²½ÕûÁ÷Áù¼¶ÄÜЧµçÔ´ÊÊÅäÆ÷Ó¦Ó÷½
- CR6249_12V1.5AµçÔ´ÊÊÅäÆ÷·½°¸
×îÐÂÎÄÕÂ×ÊѶ
- æê΢µç×Ó | ϲǨÐÂÖ·£¬ÐøÐ´·¢Õ¹ÐÂÆªÕ£¡
- оÅó΢20ÖÜÄê | ´úÀíÊÜÑû¼û֤оÁ¦Á¿£¬¹²¸°
- ¹ýÈÏÖ¤¡¢µÍ³É±¾ | 65W-PD-2C1Aµª»¯ïØÉè¼Æ·½
- ¿ªÒµ´ó¼ª | ÉîÛÚÊÐæê΢µç×Ó-Äþ²¨·Ö¹«Ë¾£¡
- ϲºØÐ¾Åó΢ף¾¸²©Ê¿ÈÙ»ñ¡°½ËÕÇàÄêÎåËĽ±ÕÂ
- CR6212_5V/12V¸ßЧÂÊ¡¢µÍ³É±¾µçÔ´·½°¸£¬Íê
- 2024ÄêÕ¹³á·ÉÏè | 2023Äê¶ÈÒµÎñ×ܽύÁ÷´ó
- ÕæÃ¯¼ÑÖúÁ¦µç¶¯Æû³µÁªÃËÆû³µµç×ÓÔªÆ÷¼þ¹¤×÷
- îýÁ¦AP30H80Q vbus¿ª¹ØMOS»ñµÃ°²¿Ë67W 2C1A
- Ê¿À¼Î¢650V¸ßѹ³¬½áSTSϵÁУ¬¹ã·ºÓ¦ÓÃÓÚÏû
°¢Àï°Í°ÍµêÆÌ
¹Ø×¢æê΢
ÊÕ²Øæê΢

