PN8370_2.4AÊÖ»ú³äµçÆ÷µçԴоƬ·½°¸
×ֺţºT|T
PN8370²úÆ·ÃèÊö£º
PN8370¼¯³É³¬µÍ´ý»ú¹¦ºÄ׼гÕñԱ߿ØÖÆÆ÷¼°650V¸ßÑ©±ÀÄÜÁ¦ÖÇÄܹ¦ÂÊMOSFET£¬ÓÃÓÚ¸ßÐÔÄÜ¡¢ÍâΧԪÆ÷¼þ¾«¼òµÄ³äµçÆ÷¡¢ÊÊÅäÆ÷ºÍÄÚÖõçÔ´¡£PN8370ΪԱ߷´À¡¹¤×÷ģʽ£¬¿ÉÊ¡ÂÔ¹âñîºÍTL431¡£ÄÚÖøßѹÆô¶¯µç·£¬¿ÉʵÏÖоƬ¿ÕÔØËðºÄ£¨230VAC£©
PN8370¼¯³É³¬µÍ´ý»ú¹¦ºÄ׼гÕñԱ߿ØÖÆÆ÷¼°650V¸ßÑ©±ÀÄÜÁ¦ÖÇÄܹ¦ÂÊMOSFET£¬ÓÃÓÚ¸ßÐÔÄÜ¡¢ÍâΧԪÆ÷¼þ¾«¼òµÄ³äµçÆ÷¡¢ÊÊÅäÆ÷ºÍÄÚÖõçÔ´¡£PN8370ΪԱ߷´À¡¹¤×÷ģʽ£¬¿ÉÊ¡ÂÔ¹âñîºÍTL431¡£ÄÚÖøßѹÆô¶¯µç·£¬¿ÉʵÏÖоƬ¿ÕÔØËðºÄ£¨230VAC£©
СÓÚ30mW¡£ÔÚºãѹģʽ£¬²ÉÓÃ׼гÕñÓë¶àģʽ¼¼ÊõÌá¸ßЧÂʲ¢Ïû³ýÒôƵÔëÉù£¬Ê¹µÃϵͳÂú×ã6¼¶ÄÜЧ±ê×¼£¬¿Éµ÷Êä³öÏß²¹³¥¹¦ÄÜÄÜʹϵͳ»ñµÃ½ÏºÃµÄ¸ºÔص÷ÕûÂÊ£»ÔÚºãÁ÷ģʽ£¬Êä³öµçÁ÷ºÍ¹¦ÂÊ¿Éͨ¹ýCS½ÅµÄRCSµç×è½øÐе÷½Ú¡£¸ÃоƬÌṩÁ˼«ÎªÈ«ÃæµÄÖÇÄܱ£»¤¹¦ÄÜ£¬°üº¬ÖðÖÜÆÚ¹ýÁ÷±£»¤¡¢¹ýѹ±£»¤¡¢¿ª»·±£»¤¡¢¹ýα£»¤¡¢Êä³ö¶Ì·±£»¤ºÍCS¿ª/¶Ì·±£»¤µÈ¡£

PN8370²úÆ·ÌØµã£º
ÄÚÖÃ650V¸ßÑ©±ÀÄÜÁ¦ÖÇÄܹ¦ÂÊMOSFET
ÄÚÖøßѹÆô¶¯µç·£¬Ð¡ÓÚ30mW¿ÕÔØËðºÄ£¨230VAC£©
²ÉÓÃ׼гÕñÓë¶àģʽ¼¼ÊõÌá¸ßЧÂÊ£¬Âú×ã6¼¶ÄÜЧ±ê×¼
È«µçѹÊäÈ뷶Χ±5%µÄCC/CV¾«¶È·â×°/¶©¹ºÐÅÏ¢
Ա߷´À¡¿ÉÊ¡¹âñîºÍTL431
ºãѹ¡¢ºãÁ÷¡¢Êä³öÏß²¹³¥Íⲿ¿Éµ÷
ÎÞÐè¶îÍâ²¹³¥µçÈÝ
ÎÞÒôƵÔëÉù
ÖÇÄܱ£»¤¹¦ÄÜ
¹ýα£»¤ (OTP)
VDDǷѹ&¹ýѹ±£»¤ (UVLO&OVP)
ÖðÖÜÆÚ¹ýÁ÷±£»¤ (OCP)
CS¿ª/¶Ì·±£»¤ (CS O/SP£©
¿ª»·±£»¤ (OLP)
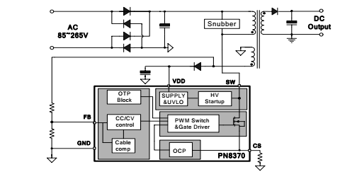
µäÐÍÓ¦ÓÃͼ

1. ¸ßѹÆô¶¯¿ØÖÆ£ºÔÚÆô¶¯½×¶Î£¬PN8370³äµçÆ÷µçԴоƬ²ÉÓøßѹÆô¶¯¼¼Êõ£¬Ð¾Æ¬Æô¶¯Ç°0.5mAµçÁ÷ԴΪÄÚ²¿Æ«Öõç·¹©µç²¢¸øÍⲿVDDµçÈݳäµç£¬¿ìËÙÆô¶¯¡£µ±VDDµçѹ´ïµ½15V£¬Ð¾Æ¬¿ªÊ¼¹¤×÷µÄͬʱ¸ßѹÆô¶¯µç·¹Ø¶Ï£»Ö»ÒªVDDµçѹ²»µÍÓÚ8V£¬Ð¾Æ¬Î¬³ÖÕý³£¹¤×÷¡£Æô¶¯ºó£¬Æ«Öõç·ͨ¹ý¸¨ÖúÔ´¹©µç£¬Í¬Ê±Æô¶¯µç·ֻÓÐһ·¼«Ð¡µÄµçÁ÷£¬ÊµÏÖµÍËðºÄ¡£
¡¡¡¡
2.CC¹¤×÷ģʽ£ºÔÚCC¹¤×÷״̬£¬PN8370ÊÖ»ú³äµçÆ÷µçԴоƬ²ÉÑùFBÒý½ÅµÄÐźţ¨Óɸ¨ÖúÈÆ×éÐźÅͨ¹ýµç×è·Öѹ£©£¬¸¨ÖúÈÆ×éÐźÅÂö¿í¾ö¶¨Õñµ´ÆµÂÊ¡£Êä³öµçѹԽ¸ß£¬Âö¿íԽС£¬Í¬Ê±Õñµ´ÆµÂÊÔ½¸ß£¬ÕâÑù¿É»ñµÃºã¶¨µÄÊä³öµçÁ÷¡£
¡¡¡¡
3.CV¹¤×÷ģʽ£ºÔÚCV¹¤×÷״̬£¬PN8370³äµçÆ÷µçԴоƬ²ÉÑùFBÒý½ÅµÄÐźţ¨Óɸ¨ÖúÈÆ×éÐźÅͨ¹ýµç×è·Öѹ£©PN8370ÔÚ0.5±¶µÄTdemag´¦²ÉÑùVsenseµçѹ£¬²¢±£³Öµ½Ï¸ö²ÉÑùµã¡£½«²ÉÑùµÄµçѹºÍ2.5V»ù×¼±È½Ï£¬²¢·Å´óÎó²î¡£Õâ¸öÎó²îÖµ´ú±í¸ºÔØÇé¿ö£¬Í¨¹ý¿ØÖÆ¿ª¹ØÐźţ¬µ÷½ÚÊä³öµçѹ£¬Ê¹µÃÊä³öºã¶¨£¬ÔÚÖØÔØÌõ¼þ£¬Ð¾Æ¬¹¤×÷ÔÚPFM_QRģʽ£¬Ipeak²»±ä£¬¹¤×÷ƵÂÊËæÊä³öµçÁ÷¼õС¶ø¼õС£»µ±ÆµÂʼõСµ½25kHz×óÓÒ£¬Ð¾Æ¬½øÈëPWM_QRģʽ£¬ÆµÂʵ÷ÖÆ±äµÃ·Ç³£»ºÂý£¬IpeakËæÊä³öµçÁ÷¼õС¶ø¼õС£¬¸Ãģʽ¿ÉÒÔ±ÜÃâÒôƵÔëÒô£¬Í¬Ê±ÓÐÀûÓÚÌáÉý25%´øÔØÐ§ÂÊ£»µ±Ð¾Æ¬Ipeakµ÷ÖÆµ½170mV£¬Ð¾Æ¬½øÈë¿ÕÔØÄ£Ê½£¨Standbyģʽ£©£¬Ipeak²»±ä£¬¹¤×÷ƵÂÊËæÊä³öµçÁ÷¼õС¶ø¼õС£¬
¡¡¡¡
4.µçÁ÷¼ì²âºÍÇ°ÑØÏûÒþ£ºPN8370ÊÖ»ú³äµçÆ÷µçԴоƬÌṩÖðÖÜÆÚµçÁ÷¼ì²â¹¦ÄÜ¡£Ð¾Æ¬Í¨¹ýCSÒý½ÅµÄµç×è¼ì²â¹¦ÂʹܵçÁ÷£¬CCģʽÉèÖõãºÍ×î´óÊä³ö¹¦Âʶ¼Í¨¹ýÍⲿµ÷ÕûCSÒý½ÅÉϵĵç×èʵÏÖ¡£¹¦ÂʹܿªÍ¨Ë²¼ä»á²úÉú¼â·åµçѹ£¬ÄÚ²¿Ç°ÑØÏûÒþµç·¿É·ÀÖ¹Îó´¥·¢¶ø²»ÐèÒª¶îÍâµÄRCÂ˲¨µç·¡£
¡¡¡¡
5.¿É±à³ÌÏßÀ²¹³¥¹¦ÄÜ£ºÏßÀ²¹³¥Ä£¿éͨ¹ýFBÒý½ÅÊä³öһ·²¹³¥µçÁ÷£¬Á÷Èë·Öѹµç×裬¸Ä±äµçѹ·´À¡Öµ£¬¿ÉÒÔʹÊä³öÏßËðѹ½µµÃµ½²¹³¥¡£µ±¸ºÔØ´ÓÂúÔØ¼õСµ½¿ÕÔØÊ±£¬ÏßËðѹ½µÒ²Í¬Ñù¼õС¡£PN8370³äµçÆ÷¿ØÖÆICͨ¹ýÉèÖÃFBµç×èµÄ×èÖµ¿ÉÒÔµ÷ÕûÏß²¹³¥µÄ·ù¶È¡£
¡¡¡¡
6.PN8370µÄVREF_CVµçѹ»ù×¼²ÉÓøºÎ¶Ȳ¹³¥¼¼Êõ£º³£ÎÂÏ£¬VREF_CVµçѹ»ù׼Ϊ2.5V£»Ð¾Æ¬Î¶ÈÉÏÉýʱ£¬VREF_CVµçѹ»ù×¼ÖµËæ×ÅζÈÉÏÉý¶ø±äС£¬¿ÉÒÔʹ¡÷VËæ×ÅζÈÉÏÉý¶ø±äСµÃµ½²¹³¥£¬ÈÃÊä³öµçѹVoÔÚȫζȷ¶Î§Äں㶨£¬Ìá¸ßÁ˺ãѹÊä³ö¾«¶È¡£
¡¡¡¡
7.׼гÕñģʽ£ºPN8370³äµçÆ÷µçԴоƬ°üº¬Ò»¸ö¶ÀÌØµÄ׼гÕñ¿ª¹Øµç·¡£ÔÚCV¹¤×÷״̬Ï£¬Õâ¸öµç·¼ì²âÿһ¸öгÕñÖÜÆÚµÄ¹Èµ×λÖã¬ÈÃоƬÿ¸ö¿ª¹ØÖÜÆÚ¶¼Ôڹȵ׵¼Í¨¡£Õâ¸ö¶ÀÌØµÄµç·¿ÉÒÔ¼õÉÙϵͳµÄ¿ª¹ØËðºÄ¡£Í¬Ê±£¬×¼Ð³Õñģʽ¿ÉÒÔÈÃоƬµÄ¿ª¹ØÆµÂÊÔÚ²»Í¬µÄ¿ª¹ØÖÜÆÚÖ®¼äÇá΢µÄ±ä»¯£¬Ìá¸ßEMIµÄÔ£Á¿¡£
¡¡¡¡
8.±£»¤¿ØÖÆ£ºPN8370³äµçÆ÷¿ØÖÆICº¬ÓзḻµÄ±£»¤¹¦ÄÜ£¬°üÀ¨£ºÖðÖÜÆÚ¹ýÁ÷±£»¤¡¢¹ýѹ±£»¤¡¢¹ýα£»¤¡¢¿ª»·±£»¤¡¢Êä³ö¶Ì·±£»¤¡¢CSµç×迪/¶Ì·±£»¤¡¢VDDÇ·Ñ¹Ëø¶¨±£»¤¹¦ÄÜ£¬²¢ÇÒÕâЩ±£»¤¾ßÓÐ×Ô»Ö¸´Ä£Ê½¡£
PN8370¹ã·ºÓ¦ÓÃÓÚ£º¡¡¡¡
¿ª¹ØµçÔ´ÊÊÅäÆ÷¡¡¡¡
µç³Ø³äµçÆ÷¡¡¡¡
»ú¶¥ºÐµçÔ´
Ïà¹Ø×ÊѶ
- 7¸ö´ó·ù¾«¼òÍâΧµÄac-dcµçÔ´¹ÜÀíоƬ·½°¸
- PN8370M+PN8305LСÌå»ý¿ª¹ØµçÔ´5v2a·½°¸
- »ùÓÚPN8390+PN8308M¸ßÐÔÄÜ12V2AÊÊÅäÆ÷µçÔ´
- CR5218SC_5V1AÊÊÅäÆ÷·½°¸
- СÌå»ý65W´ó¹¦ÂÊ¿ª¹ØµçԴоƬÊÊÅäÆ÷·½°¸
- 5V2.4A Áù¼¶ÄÜЧ³äµçÆ÷Ìׯ¬·½°¸
- »ùÓÚPN8162+PN8307H¸ßÐÔÄÜ20W PD³äµçÆ÷·½°¸
- 5v2aµçÔ´ÊÊÅäÆ÷оƬ/³äµçÆ÷ic·½°¸
- CR5259_12V2A 24WÊÊÅäÆ÷µçԴоƬ·½°¸
- CR5244 5V2.4AС¹¦ÂʳäµçÆ÷¡¢ÊÊÅäÆ÷·½°¸
ͬÀàÎÄÕÂÅÅÐÐ
- CR5218SC_5V1AÊÊÅäÆ÷·½°¸
- µÂÆÕ΢DP2525BԱ߷´À¡µçԴоƬºãѹºãÁ÷5W
- 7¸ö´ó·ù¾«¼òÍâΧµÄac-dcµçÔ´¹ÜÀíоƬ·½°¸
- 5v¿ª¹ØµçԴоƬPN8370M+PN8306M 5V2AÁù¼¶ÄÜ
- CR1252+CR3012_12V20A¿ª¹ØµçÔ´·½°¸
- »ùÓÚPN8390+PN8308M¸ßÐÔÄÜ12V2AÊÊÅäÆ÷µçÔ´
- PN8000ÎÞµç¸Ð¸ºÑ¹Êä³öAC-DC·Ç¸ôÀ볬¾«¼ò·½
- PN8370_2.4AÊÖ»ú³äµçÆ÷µçԴоƬ·½°¸
- 12V3.0Aͬ²½ÕûÁ÷Áù¼¶ÄÜЧµçÔ´ÊÊÅäÆ÷Ó¦Ó÷½
- CR6249_12V1.5AµçÔ´ÊÊÅäÆ÷·½°¸
×îÐÂÎÄÕÂ×ÊѶ
- æê΢µç×Ó | ϲǨÐÂÖ·£¬ÐøÐ´·¢Õ¹ÐÂÆªÕ£¡
- оÅó΢20ÖÜÄê | ´úÀíÊÜÑû¼û֤оÁ¦Á¿£¬¹²¸°
- ¹ýÈÏÖ¤¡¢µÍ³É±¾ | 65W-PD-2C1Aµª»¯ïØÉè¼Æ·½
- ¿ªÒµ´ó¼ª | ÉîÛÚÊÐæê΢µç×Ó-Äþ²¨·Ö¹«Ë¾£¡
- ϲºØÐ¾Åó΢ף¾¸²©Ê¿ÈÙ»ñ¡°½ËÕÇàÄêÎåËĽ±ÕÂ
- CR6212_5V/12V¸ßЧÂÊ¡¢µÍ³É±¾µçÔ´·½°¸£¬Íê
- 2024ÄêÕ¹³á·ÉÏè | 2023Äê¶ÈÒµÎñ×ܽύÁ÷´ó
- ÕæÃ¯¼ÑÖúÁ¦µç¶¯Æû³µÁªÃËÆû³µµç×ÓÔªÆ÷¼þ¹¤×÷
- îýÁ¦AP30H80Q vbus¿ª¹ØMOS»ñµÃ°²¿Ë67W 2C1A
- Ê¿À¼Î¢650V¸ßѹ³¬½áSTSϵÁУ¬¹ã·ºÓ¦ÓÃÓÚÏû
°¢Àï°Í°ÍµêÆÌ
¹Ø×¢æê΢
ÊÕ²Øæê΢

